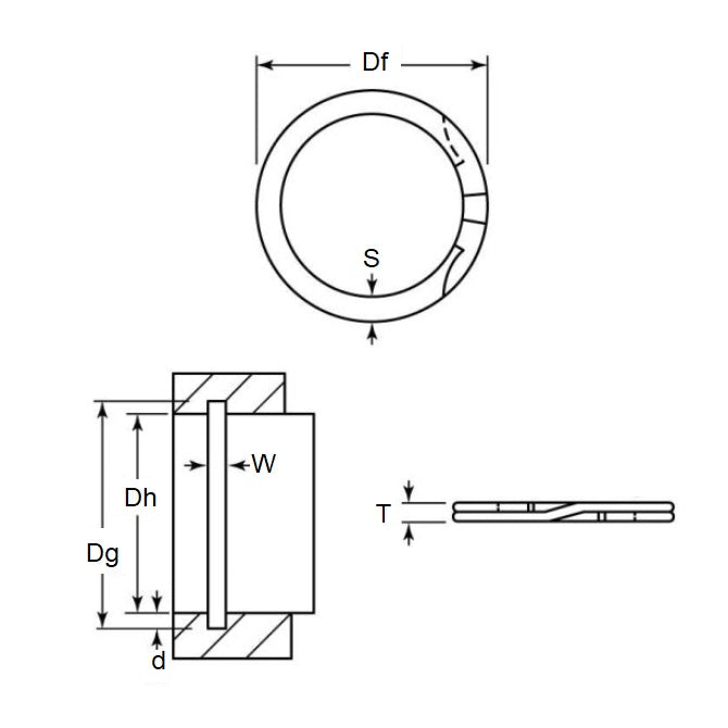
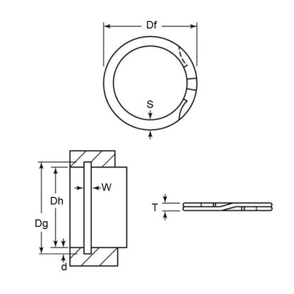
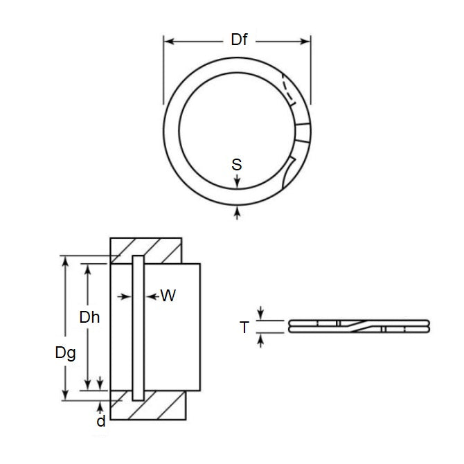
Internal Retaining Rings - 34.93x1.27x37.11 mm Spiral Rings - Carbon Spring Steel Spiral Ring
RRN-137 (PK-2)
MBA
Store Name: Small Parts & Bearings
Additional resources:Spiral Rings and Snap Rings PDF
Order 50 or more pack (100 pcs)
for $6.35 AUD per 2
Base Category: Retaining Rings - Internal
Top Level Category: Retaining Rings - Internal - Spiral Rings - Heavy Duty - Carbon Steel
Product Details
Additional stock available from USA subject to Prior Sale = 5911
Housing Bore (B): 34.93mm
(34.93mm is 1.375 in.)
Carbon Spring Steel
- Housing Bore (B): 34.93mm
(34.93mm is 1.375 in.)
- Clip Thickness (T): 1.27mm
+/- 0.05
(1.27mm is 0.05 in.)
- Groove Dia. (Dg): 37.11mm
(37.11mm is 1.461 in.)
- Approx. Loose Circlip OD (Dr): 37.27mm
+ 0.33 / - 0.00
- Radial Wall (S) Approx.: 3.00mm
+/- 0.10
- Groove Width (W): 1.47mm
+/- 0.10
- Approx. Loose Clip ID: 31.27
+/- 0.05
- Groove Depth (d): 1.09
Brand: MBA
Country of Origin: US
Product Compliance and Data
Similar to
- ALTPART
- 91985A191
- Associated Spring® AHI-137
- Huyett® RRN-137
- Smalley® RRN-137
- Spirolox® RRN-137
- Smalley® WHM-137
- RRN137
- WHM137
- AHI137
We offer equivalents to many brands including Anderton, Barden, Berg, Designatronics, EZO, ISC, Koyo, Myonic, NMB, Nordex, NSK, Ondrives, Reid Industrial, RMB, SDP-SI, Seeger, SKF, and more.
Share

Click to open these sections
Collapsible content
PICK UP
Pick up is available from our Coopers Plains warehouse after your order is ready. Please refer to your ready notification email, and bring it with you to collect your parcel.
PDF CATALOGUES
You may freely download the following catalogues to review and compare products. To help you select the most readily available items, rows are colour coded and marked according to the key at the bottom of each page.
Part numbers from these catalogues can be checked in the online store. If they don't appear in the store, please email us for more information about the part.
Bearing Material Selection and Benefits
Bearings - Corrosion Resistant
Bearings - Radial - Master List
CROSS REFERENCES
We provide equivalents to many brands including Berg - Designatronics - Nordex - NSK - Oilite - Ondrives - Reid Industrial - SDP-SI - SKF. The following PDF cross references contain hundreds of thousands of part conversions.
Information, Catalogues, and News
View all-
Searching for Bushes (Quick Tip)
BY SIZE Bushes are are usually designated by the inside diameter x outside diameter x length (ID x OD x L) in mm. You can search for bushes using the...
Searching for Bushes (Quick Tip)
BY SIZE Bushes are are usually designated by the inside diameter x outside diameter x length (ID x OD x L) in mm. You can search for bushes using the...
-
Searching for Bearings (Quick Tips)
BY SIZE Bearings are are usually designated by the inside diameter x outside diameter x width (ID x OD x W) in mm. You can search for bearings using the...
Searching for Bearings (Quick Tips)
BY SIZE Bearings are are usually designated by the inside diameter x outside diameter x width (ID x OD x W) in mm. You can search for bearings using the...
-
Dental Handpiece Bearings & Parts Applications ...
Version 2026.3 - April 2026 The MBA Dental Handpiece Bearings & Parts Applications List contains replacement bearings, turbines, headgears, pushbuttons, o-rings and more for many makes including ABU®, ACETON SATELEC®, ADEC®,...
Dental Handpiece Bearings & Parts Applications ...
Version 2026.3 - April 2026 The MBA Dental Handpiece Bearings & Parts Applications List contains replacement bearings, turbines, headgears, pushbuttons, o-rings and more for many makes including ABU®, ACETON SATELEC®, ADEC®,...
-
Fishing Reel Repair Bearings Applications List
Version 2026.3 - April 2026 The MBA fishing reel bearings list contains replacement options for Abu Garcia®, Alvey®, Butterworth®, Daiwa®, Duro®, Fin-Nor®, Jarvis Walker®, Mitchell®, Newell®, Penn®, Pro Gear®, Reelemin®, Ryobi®,...
Fishing Reel Repair Bearings Applications List
Version 2026.3 - April 2026 The MBA fishing reel bearings list contains replacement options for Abu Garcia®, Alvey®, Butterworth®, Daiwa®, Duro®, Fin-Nor®, Jarvis Walker®, Mitchell®, Newell®, Penn®, Pro Gear®, Reelemin®, Ryobi®,...