Small Parts & Bearings
Miniature Bearings Australia

RRN-137 - Datasheet

MBA

Category Information

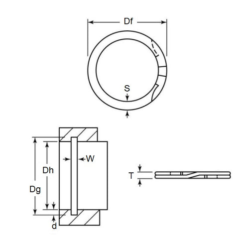
Retaining Rings - Internal - Spiral Rings - Heavy Duty - Carbon Steel

Carbon Steel Heavy Duty Spiral Rings Internal Retaining Rings. Includes AHI / WHM / AS3215 / RRN / MIL-R-27426B2 - Spring Steel

  • An expanded range may be available on special order. Please enquire.
  • Heavy duty design for use with NAS669-670 deep grooves in applications like double row and tapered roller bearings.
  • Requires no tools for removal.
  • Equivalent to Associated Spring: AHI, Smalley: WHM, Spirolox and Ramsey: RRN, Aerospace AS3215, MIL-R-27426B2

Product Data

  • Housing Bore (B) : 34.93 mm
    (Equiv. 1.375 in.)
  • Clip Thickness (T) 1.27 mm +/- 0.05
    (Equiv. 0.05 in.)
  • Groove Dia. (Dg) 37.11 mm
    (Equiv. 1.461 in.)
  • Approx. Loose Circlip OD (Dr) 37.27 mm + 0.33 / - 0.00
  • Radial Wall (S) Approx. 3.00 mm +/- 0.10
  • Groove Width (W) 1.47 mm +/- 0.10
  • Approx. Loose Clip ID 31.27 +/- 0.05
  • Groove Depth (d) 1.09
  • Material Carbon Spring Steel
Country of Origin: US

Product Compliance and Data

Additional Resources

Cross References

  • 91985A191
  • Associated Spring AHI-137
  • Smalley RRN-137
  • Spirolox RRN-137
  • Smalley WHM-137
  • WHM137
  • AHI137
  • RRN137
View full details