Dental Applications Bearings - 3.175 6.350 / 5.979 2.381 mm - Stainless Steel AISI 440C - High Speed Phenolic Cage - Dental Special Bearing
SR144-D106-ZS (Each)
MBA
Store Name: Small Parts & Bearings
Dental Replacement Parts _ Turbines, Gears, O-Rings etc
Couldn't load pickup availability
Base Category: Bearings - Dental Applications
Top Level Category: Bearings - Dental Applications
Product Details
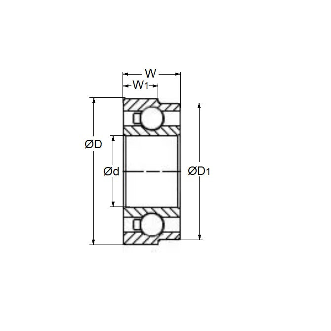
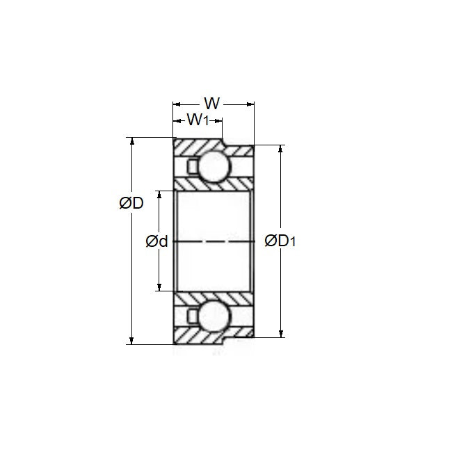
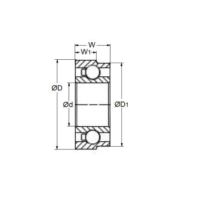
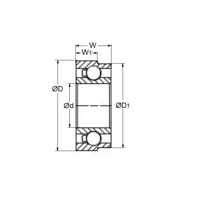
Deleted Item. Available while stocks last. Narrow stepped OD precision dental handpiece bearing.
ID (d): 3.175mm
+ 0.000 / - 0.004
(3.175mm is 0.125 in.)
Stainless Steel AISI 440C - High Speed Phenolic Cage - Dental Special
- ID (d): 3.175mm
+ 0.000 / - 0.004
(3.175mm is 0.125 in.)
- O.D. (D): 6.350 / 5.979mm
+ 0.000 / - 0.005
(6.350 / 5.979mm is 0.25 in.)
- Width (B): 2.381mm
+ 0.000 / - 0.040
(2.381mm is 0.094 in.)
- Precision Grade: Abec 7
- Closure Type: Z
- Bearing Type: D106 Dental Special - Phenolic Cage
- Lubricant: Oil - Special
- Additional Information: Outer ring is stepped from 6.35mm to 5.979mm
Brand: MBA
Country of Origin: US
Please contact us if you would like a price and delivery for a larger quantity than the available stock.
Product Compliance and Data
Similar to
- KaVo® 220-0128
- KaVo® 220-0128 / 0145
- KaVo® 220-0145
- KaVo® 2200759
- MPB 9A0021-812
- MPB 9A0021-822B
- MPB 9A0021-832
- NHBB® SSR1-418X5SD528MCM5A7P25LY60
- SSR1418X5SD528MCM5A7P25LY60
- SSR144STAY39K3C10
- 2200145
- 2200128
- 2200128 / 0145
- 9A0021832
- 9A0021822B
- 9A0021812
Used for
- Dental Handpiece Parts
- B.A. International® - Ultima® 650L - Top and Bearing - Chuck End
- Borden® - Silencer - Bearings
- Dabi Atlante® - L350 - Bearings
- Dabi Atlante® - MS350 - Bearings
- KaVo® - 628 - 629 FG - Bearings
- KaVo® - 628 BellaTorque - Bearings
- KaVo® - Magno 634 - Bearings
- Siemens® - 4000 MS-ML - Bearings
- Siemens® - 4000 S-SL Push Button - Bearings
- Siemens® - T1 Mini TMC3LK - Bearings
- Siemens® - TM1 - Bearings
We offer equivalents to many brands including Anderton, Barden, Berg, Designatronics, EZO, ISC, Koyo, Myonic, NMB, Nordex, NSK, Ondrives, Reid Industrial, RMB, SDP-SI, Seeger, SKF, and more.
Share

Click to open these sections
Collapsible content
PICK UP
Pick up is available from our Coopers Plains warehouse after your order is ready. Please refer to your ready notification email, and bring it with you to collect your parcel.
PDF CATALOGUES
You may freely download the following catalogues to review and compare products. To help you select the most readily available items, rows are colour coded and marked according to the key at the bottom of each page.
Part numbers from these catalogues can be checked in the online store. If they don't appear in the store, please email us for more information about the part.
Bearing Material Selection and Benefits
Bearings - Corrosion Resistant
Bearings - Radial - Master List
CROSS REFERENCES
We provide equivalents to many brands including Berg - Designatronics - Nordex - NSK - Oilite - Ondrives - Reid Industrial - SDP-SI - SKF. The following PDF cross references contain hundreds of thousands of part conversions.
Information, Catalogues, and News
View all-
Free Timing Pulleys & Idlers Catalogue
Download the Timing & Idler Pulley Catalogue *** Update 2026.1 *** March 2026 The MBA Timing pulleys catalogue includes timing pulleys from steel and aluminium. More than 20 pages of...
Free Timing Pulleys & Idlers Catalogue
Download the Timing & Idler Pulley Catalogue *** Update 2026.1 *** March 2026 The MBA Timing pulleys catalogue includes timing pulleys from steel and aluminium. More than 20 pages of...
-
Free Circlips & E-Clips Catalogue
Download the MBA Circlips & E-Clips PDF Catalogue *** Update 2026.1 *** February 2026 The MBA Circlips & E-Clips catalogue lists a full range of E-Clips, Internal Circlips, and External...
Free Circlips & E-Clips Catalogue
Download the MBA Circlips & E-Clips PDF Catalogue *** Update 2026.1 *** February 2026 The MBA Circlips & E-Clips catalogue lists a full range of E-Clips, Internal Circlips, and External...
-
Free Standard Bearings Catalogue
Download the MBA Standard Bearing Range Quick Guide Catalogue *** UPDATE 2026.1 *** JANUARY 2026 The MBA Standard Bearing Catalogue includes sizes from 0.60mm bore (0.024 inches) to 320mm bore...
Free Standard Bearings Catalogue
Download the MBA Standard Bearing Range Quick Guide Catalogue *** UPDATE 2026.1 *** JANUARY 2026 The MBA Standard Bearing Catalogue includes sizes from 0.60mm bore (0.024 inches) to 320mm bore...
-
Free Precision Shim Washers Catalogue
Download the Precision Shim Washers PDF Catalogue *** UPDATED RELEASE 2026.1 *** January 2026 The precision shim washers catalogue includes sizes ranging from 1.5x3 mm to 170x200mm, with thicknesses ranging...
Free Precision Shim Washers Catalogue
Download the Precision Shim Washers PDF Catalogue *** UPDATED RELEASE 2026.1 *** January 2026 The precision shim washers catalogue includes sizes ranging from 1.5x3 mm to 170x200mm, with thicknesses ranging...