Collection: Bearings - Dental Applications
Bearings -> Dental ApplicationsThere are 14 products in the sub-categories of Bearings - Dental Applications. Browse the Bearings - Dental Applications products table.
Category Details
A selection of Dental Applications Bearings. This listing shows the basic features of various bearings for dental applications.
- Bearings used in high-speed and low-speed dental handpieces play a crucial role in the performance and reliability of these dental tools.
- The purpose of bearings in dental handpieces varies depending on the speed requirements and operational characteristics of the handpiece.
- Key features of dental equipment bearings are high precision allowing for high speed rotaion, low friction and quiet operation. An expanded range may be available on special order. Please enquire.
- Please contact us for a dental application list.
Small Parts & Bearings
Additional resources:
A more comprehensive listing may be found in the Bearings - Dental Applications category on the MBA Minibearings main store.
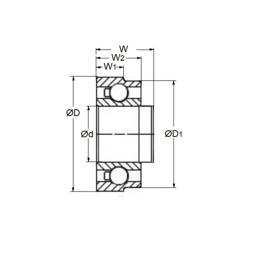
| ID (d) | O.D. (D) | Width (B) | Inner Ring Width (Bn) | Flange Diameter (DF) | Flange Width (BF) |
Indicative Image |
|---|---|---|---|---|---|---|
| Dental Applications Bearings - 3.175x6.35x1.91 mm - Stainless Steel AISI 440C - High Speed Phenolic Cage - Dental Special Bearing | ||||||
|
ID (d)
3.175
mm + 0.000 / - 0.004
(Equiv. 0.125 in.) |
O.D. (D)
6.350
mm + 0.000 / - 0.005 (Equiv. 0.25 in.) |
Width (B)
1.910
mm + 0.000 / - 0.040 (Equiv. 0.075 in.) |
|
|||
|
Material: Stainless Steel AISI 440C - High Speed Phenolic Cage - Dental Special
Precision Grade: Abec 7
Closure Type: Open
Bearing Type: Radial
Lubricant: Oil - Standard
Deleted Item. Available while stocks last. |
||||||
|
Part Number: SR144C-D26-KC (Each)
53 Available Now | Item Discontinued - Up to 53 may be ordered online. No backorders. Please contact us if you need a larger quantity Regular price
$14.51 AUD
Regular price
Unit price
/
per
Each
Excludes GST and overseas Taxes & Duties |
||||||
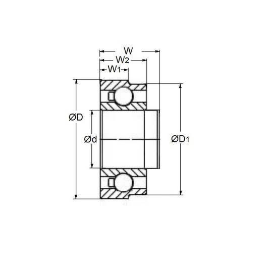
| ID (d) | O.D. (D) | Width (B) | Inner Ring Width (Bn) |
Indicative Image |
||
| Dental Applications Bearings - 3.175x6.35x1.91 mm - Stainless Steel AISI 440C - High Speed Phenolic Cage - Dental Special Bearing | ||||||
|
ID (d)
3.175
mm + 0.000 / - 0.004 (Equiv. 0.125 in.) |
O.D. (D)
6.350
mm + 0.000 / - 0.005 (Equiv. 0.25 in.) |
Width (B)
1.910
mm + 0.000 / - 0.040 (Equiv. 0.075 in.) |
|
|||
|
Material: Stainless Steel AISI 440C - High Speed Phenolic Cage - Dental Special
Precision Grade: Abec 7
Closure Type: Open
Bearing Type: Radial
Lubricant: Oil - Standard
Deleted Item. Available while stocks last. |
||||||
|
Part Number: SR144C-D26-KC (Each)
53 Available Now | Item Discontinued - Up to 53 may be ordered online. No backorders. Please contact us if you need a larger quantity Regular price
$14.51 AUD
Regular price
Unit price
/
per
Each
Excludes GST and overseas Taxes & Duties |
||||||
|
||||||
| Dental Applications Bearings - 3.175x6.35x2.381 mm - Stainless Steel AISI 440C - Dental Special Bearing | ||||||
|
ID (d)
3.175
mm + 0.000 / - 0.004
(Equiv. 0.125 in.) |
O.D. (D)
6.350
mm + 0.000 / - 0.005 (Equiv. 0.25 in.) |
Width (B)
2.381
mm + 0.000 / - 0.040 (Equiv. 0.094 in.) |
|
|||
|
Material: Stainless Steel AISI 440C - Dental Special
Precision Grade: Abec 7
Closure Type: Open
Bearing Type: Radial
Lubricant: Oil - Undisclosed
Deleted Item. Available while stocks last. Narrow precision dental handpiece bearing with polyamide high speed cage. |
||||||
|
Part Number: SR144-D28 (Each)
Out of Stock | Special Order Only - Please contact us if you need a large quantity Regular price
$16.00 AUD
Regular price
Unit price
/
per
Each
Excludes GST and overseas Taxes & Duties |
||||||
| Dental Applications Bearings - 3.175x6.35x2.381 mm - Stainless Steel AISI 440C - Dental Special Bearing | ||||||
|
ID (d)
3.175
mm + 0.000 / - 0.004 (Equiv. 0.125 in.) |
O.D. (D)
6.350
mm + 0.000 / - 0.005 (Equiv. 0.25 in.) |
Width (B)
2.381
mm + 0.000 / - 0.040 (Equiv. 0.094 in.) |
|
|||
|
Material: Stainless Steel AISI 440C - Dental Special
Precision Grade: Abec 7
Closure Type: Open
Bearing Type: Radial
Lubricant: Oil - Undisclosed
Deleted Item. Available while stocks last. Narrow precision dental handpiece bearing with polyamide high speed cage. |
||||||
|
Part Number: SR144-D28 (Each)
Out of Stock | Special Order Only - Please contact us if you need a large quantity | Orders can be expected around Tue, Dec 12, 2028 Regular price
$16.00 AUD
Regular price
Unit price
/
per
Each
Excludes GST and overseas Taxes & Duties |
||||||
|
||||||
| Dental Applications Bearings - 3.175x6.35x2.381 mm - Stainless Steel AISI 440C Bearing | ||||||
|
ID (d)
3.175
mm + 0.000 / - 0.004
(Equiv. 0.125 in.) |
O.D. (D)
6.350
mm + 0.000 / - 0.005 (Equiv. 0.25 in.) |
Width (B)
2.381
mm + 0.000 / - 0.040 (Equiv. 0.094 in.) |
Flange Diameter (DF)
7.518
mm |
Flange Width (BF)
0.584
|
|
|
|
Material: Stainless Steel AISI 440C
Precision Grade: Abec 7
Closure Type: ZS
Bearing Type: Radial Flanged
Lubricant: Oil - Special
Deleted Item. Available while stocks last. |
||||||
|
Part Number: SFR144-D28-ZSO (Each)
4 Available Now | Item Discontinued - Up to 4 may be ordered online. No backorders. Please contact us if you need a larger quantity Regular price
$55.00 AUD
Regular price
Unit price
/
per
Each
Excludes GST and overseas Taxes & Duties |
||||||
| Dental Applications Bearings - 3.175x6.35x2.381 mm - Stainless Steel AISI 440C Bearing | ||||||
|
ID (d)
3.175
mm + 0.000 / - 0.004 (Equiv. 0.125 in.) |
O.D. (D)
6.350
mm + 0.000 / - 0.005 (Equiv. 0.25 in.) |
Width (B)
2.381
mm + 0.000 / - 0.040 (Equiv. 0.094 in.) |
|
|||
|
Material: Stainless Steel AISI 440C
Flange Diameter (DF): 7.518 mm
Flange Width (BF): 0.584
Precision Grade: Abec 7
Closure Type: ZS
Bearing Type: Radial Flanged
Lubricant: Oil - Special
Deleted Item. Available while stocks last. |
||||||
|
Part Number: SFR144-D28-ZSO (Each)
4 Available Now | Item Discontinued - Up to 4 may be ordered online. No backorders. Please contact us if you need a larger quantity Regular price
$55.00 AUD
Regular price
Unit price
/
per
Each
Excludes GST and overseas Taxes & Duties |
||||||
|
||||||
| Dental Applications Bearings - 3.175x6.35x2.381 mm - Stainless Steel AISI 440C - High Speed Phenolic Cage Bearing | ||||||
|
ID (d)
3.175
mm + 0.000 / - 0.004
(Equiv. 0.125 in.) |
O.D. (D)
6.350
mm + 0.000 / - 0.005 (Equiv. 0.25 in.) |
Width (B)
2.381
mm + 0.000 / - 0.040 (Equiv. 0.094 in.) |
Flange Diameter (DF)
7.518
mm |
Flange Width (BF)
0.584
|
|
|
|
Material: Stainless Steel AISI 440C - High Speed Phenolic Cage
Precision Grade: Abec 7
Closure Type: Open
Bearing Type: Radial Flanged
Lubricant: Oil / Standard
Deleted Item. Available while stocks last. |
||||||
|
Part Number: SFR144-D28-KC (PK-50)
44 Available Now | Item Discontinued - Up to 44 may be ordered online. No backorders. Please contact us if you need a larger quantity Regular price
$10.54 AUD
Regular price
Unit price
/
per
Each
Excludes GST and overseas Taxes & Duties |
||||||
| Dental Applications Bearings - 3.175x6.35x2.381 mm - Stainless Steel AISI 440C - High Speed Phenolic Cage Bearing | ||||||
|
ID (d)
3.175
mm + 0.000 / - 0.004 (Equiv. 0.125 in.) |
O.D. (D)
6.350
mm + 0.000 / - 0.005 (Equiv. 0.25 in.) |
Width (B)
2.381
mm + 0.000 / - 0.040 (Equiv. 0.094 in.) |
|
|||
|
Material: Stainless Steel AISI 440C - High Speed Phenolic Cage
Flange Diameter (DF): 7.518 mm
Flange Width (BF): 0.584
Precision Grade: Abec 7
Closure Type: Open
Bearing Type: Radial Flanged
Lubricant: Oil / Standard
Deleted Item. Available while stocks last. |
||||||
|
Part Number: SFR144-D28-KC (PK-50)
44 Available Now | Item Discontinued - Up to 44 may be ordered online. No backorders. Please contact us if you need a larger quantity Regular price
$10.54 AUD
Regular price
Unit price
/
per
Each
Excludes GST and overseas Taxes & Duties |
||||||
|
||||||
| Dental Applications Bearings - 3.175 6.350 / 5.979 2.381 mm - Stainless Steel AISI 440C - High Speed Phenolic Cage - Dental Special Bearing | ||||||
|
ID (d)
3.175
mm + 0.000 / - 0.004
(Equiv. 0.125 in.) |
O.D. (D)
6.350 / 5.979
mm + 0.000 / - 0.005 (Equiv. 0.25 in.) |
Width (B)
2.381
mm + 0.000 / - 0.040 (Equiv. 0.094 in.) |
|
|||
|
Material: Stainless Steel AISI 440C - High Speed Phenolic Cage - Dental Special
Precision Grade: Abec 7
Closure Type: Z
Bearing Type: D106 Dental Special - Phenolic Cage
Lubricant: Oil - Special
Additional Information: Outer ring is stepped from 6.35mm to 5.979mm
Deleted Item. Available while stocks last. Narrow stepped OD precision dental handpiece bearing. |
||||||
|
Part Number: SR144-D106-ZS (Each)
35 Available Now | Item Discontinued - Up to 35 may be ordered online. No backorders. Please contact us if you need a larger quantity Regular price
$16.00 AUD
Regular price
Unit price
/
per
Each
Excludes GST and overseas Taxes & Duties |
||||||
| Dental Applications Bearings - 3.175 6.350 / 5.979 2.381 mm - Stainless Steel AISI 440C - High Speed Phenolic Cage - Dental Special Bearing | ||||||
|
ID (d)
3.175
mm + 0.000 / - 0.004 (Equiv. 0.125 in.) |
O.D. (D)
6.350 / 5.979
mm + 0.000 / - 0.005 (Equiv. 0.25 in.) |
Width (B)
2.381
mm + 0.000 / - 0.040 (Equiv. 0.094 in.) |
|
|||
|
Material: Stainless Steel AISI 440C - High Speed Phenolic Cage - Dental Special
Precision Grade: Abec 7
Closure Type: Z
Bearing Type: D106 Dental Special - Phenolic Cage
Lubricant: Oil - Special
Additional Information: Outer ring is stepped from 6.35mm to 5.979mm
Deleted Item. Available while stocks last. Narrow stepped OD precision dental handpiece bearing. |
||||||
|
Part Number: SR144-D106-ZS (Each)
35 Available Now | Item Discontinued - Up to 35 may be ordered online. No backorders. Please contact us if you need a larger quantity Regular price
$16.00 AUD
Regular price
Unit price
/
per
Each
Excludes GST and overseas Taxes & Duties |
||||||
|
||||||
| Dental Applications Bearings - 3.175x6.35x2.779 mm - Stainless Steel AISI 440C - High Speed Polyamide Cage - Dental Special Bearing | ||||||
|
ID (d)
3.175
mm + 0.000 / - 0.004
(Equiv. 0.125 in.) |
O.D. (D)
6.350
mm + 0.000 / - 0.005 (Equiv. 0.25 in.) |
Width (B)
2.779
mm + 0.000 / - 0.040 (Equiv. 0.109 in.) |
|
|||
|
Material: Stainless Steel AISI 440C - High Speed Polyamide Cage - Dental Special
Precision Grade: Abec 7 - Optimyn Dental Bearing
Closure Type: ZS
Bearing Type: Radial
Lubricant: Oil - Special
Precision dental handpiece bearing with polyamide cage. |
||||||
|
Part Number: SR144A-D27-ZS-T9H-OPT (Each)
21 Available Now | Further orders can be expected around Wed, Apr 29, 2026 Regular price
$53.14 AUD
Regular price
Unit price
/
per
Each
Excludes GST and overseas Taxes & Duties |
||||||
| Dental Applications Bearings - 3.175x6.35x2.779 mm - Stainless Steel AISI 440C - High Speed Polyamide Cage - Dental Special Bearing | ||||||
|
ID (d)
3.175
mm + 0.000 / - 0.004 (Equiv. 0.125 in.) |
O.D. (D)
6.350
mm + 0.000 / - 0.005 (Equiv. 0.25 in.) |
Width (B)
2.779
mm + 0.000 / - 0.040 (Equiv. 0.109 in.) |
|
|||
|
Material: Stainless Steel AISI 440C - High Speed Polyamide Cage - Dental Special
Precision Grade: Abec 7 - Optimyn Dental Bearing
Closure Type: ZS
Bearing Type: Radial
Lubricant: Oil - Special
Precision dental handpiece bearing with polyamide cage. |
||||||
|
Part Number: SR144A-D27-ZS-T9H-OPT (Each)
21 Available Now | Further orders can be expected around Wed, Apr 29, 2026 Regular price
$53.14 AUD
Regular price
Unit price
/
per
Each
Excludes GST and overseas Taxes & Duties |
||||||
|
||||||
| Dental Applications Bearings - 3.175x6.35x2.779 mm - Stainless Steel AISI 440C - High Speed Phenolic Cage - Ceramic Balls - Dental Special Bearing | ||||||
|
ID (d)
3.175
mm + 0.000 / - 0.004
(Equiv. 0.125 in.) |
O.D. (D)
6.350
mm + 0.000 / - 0.005 (Equiv. 0.25 in.) |
Width (B)
2.779
mm + 0.000 / - 0.040 (Equiv. 0.109 in.) |
|
|||
|
Material: Stainless Steel AISI 440C - High Speed Phenolic Cage - Ceramic Balls - Dental Special
Precision Grade: Abec 7 - Optimyn Dental Bearing
Closure Type: ZS
Bearing Type: Radial
Lubricant: Oil - Special
Precision dental handpiece bearing with ceramic balls and phenolic cage. |
||||||
|
Part Number: SR144A-D27-CSN-ZS-KC-OPT (Each)
80 Available Now | Further orders can be expected around Wed, Apr 29, 2026 Regular price
$19.05 AUD
Regular price
Unit price
/
per
Each
Excludes GST and overseas Taxes & Duties |
||||||
| Dental Applications Bearings - 3.175x6.35x2.779 mm - Stainless Steel AISI 440C - High Speed Phenolic Cage - Ceramic Balls - Dental Special Bearing | ||||||
|
ID (d)
3.175
mm + 0.000 / - 0.004 (Equiv. 0.125 in.) |
O.D. (D)
6.350
mm + 0.000 / - 0.005 (Equiv. 0.25 in.) |
Width (B)
2.779
mm + 0.000 / - 0.040 (Equiv. 0.109 in.) |
|
|||
|
Material: Stainless Steel AISI 440C - High Speed Phenolic Cage - Ceramic Balls - Dental Special
Precision Grade: Abec 7 - Optimyn Dental Bearing
Closure Type: ZS
Bearing Type: Radial
Lubricant: Oil - Special
Precision dental handpiece bearing with ceramic balls and phenolic cage. |
||||||
|
Part Number: SR144A-D27-CSN-ZS-KC-OPT (Each)
80 Available Now | Further orders can be expected around Wed, Apr 29, 2026 Regular price
$19.05 AUD
Regular price
Unit price
/
per
Each
Excludes GST and overseas Taxes & Duties |
||||||
|
||||||
| Dental Applications Bearings - 3.175x6.35x2.779 mm - Stainless Steel AISI 440C - High Speed Phenolic Cage - Dental Special Bearing | ||||||
|
ID (d)
3.175
mm + 0.000 / - 0.004
(Equiv. 0.125 in.) |
O.D. (D)
6.350
mm + 0.000 / - 0.005 (Equiv. 0.25 in.) |
Width (B)
2.779
mm + 0.000 / - 0.040 (Equiv. 0.109 in.) |
|
|||
|
Material: Stainless Steel AISI 440C - High Speed Phenolic Cage - Dental Special
Precision Grade: Abec 7 - Optimyn Dental Bearing
Closure Type: ZS
Bearing Type: Radial
Lubricant: Oil - Special
Precision dental handpiece bearing with phenolic cage. |
||||||
|
Part Number: SR144A-D27-ZS-KC-OPT (Each)
5 Available Now | Further orders can be expected around Wed, Apr 29, 2026 Regular price
$11.59 AUD
Regular price
Unit price
/
per
Each
Excludes GST and overseas Taxes & Duties |
||||||
| Dental Applications Bearings - 3.175x6.35x2.779 mm - Stainless Steel AISI 440C - High Speed Phenolic Cage - Dental Special Bearing | ||||||
|
ID (d)
3.175
mm + 0.000 / - 0.004 (Equiv. 0.125 in.) |
O.D. (D)
6.350
mm + 0.000 / - 0.005 (Equiv. 0.25 in.) |
Width (B)
2.779
mm + 0.000 / - 0.040 (Equiv. 0.109 in.) |
|
|||
|
Material: Stainless Steel AISI 440C - High Speed Phenolic Cage - Dental Special
Precision Grade: Abec 7 - Optimyn Dental Bearing
Closure Type: ZS
Bearing Type: Radial
Lubricant: Oil - Special
Precision dental handpiece bearing with phenolic cage. |
||||||
|
Part Number: SR144A-D27-ZS-KC-OPT (Each)
5 Available Now | Further orders can be expected around Wed, Apr 29, 2026 Regular price
$11.59 AUD
Regular price
Unit price
/
per
Each
Excludes GST and overseas Taxes & Duties |
||||||
|
||||||
| Dental Applications Bearings - 3.175x6.35x2.779 mm - Stainless Steel AISI 440C - High Speed Phenolic Cage Bearing | ||||||
|
ID (d)
3.175
mm + 0.000 / - 0.004
(Equiv. 0.125 in.) |
O.D. (D)
6.350
mm + 0.000 / - 0.005 (Equiv. 0.25 in.) |
Width (B)
2.779
mm + 0.000 / - 0.040 (Equiv. 0.109 in.) |
Flange Diameter (DF)
7.518
mm |
Flange Width (BF)
0.787
|
|
|
| Material: Stainless Steel AISI 440C - High Speed Phenolic Cage Precision Grade: Abec 7 - Optimyn Germany Dental Special Closure Type: ZS Bearing Type: D27 Flanged Dental Special Lubricant: Oil - Special | ||||||
|
Part Number: SFR144A-D27-ZSO-KC-OPT (Each)
95 Available Now | Further orders can be expected around Wed, Apr 29, 2026 Regular price
$31.05 AUD
Regular price
Unit price
/
per
Each
Excludes GST and overseas Taxes & Duties |
||||||
| Dental Applications Bearings - 3.175x6.35x2.779 mm - Stainless Steel AISI 440C - High Speed Phenolic Cage Bearing | ||||||
|
ID (d)
3.175
mm + 0.000 / - 0.004 (Equiv. 0.125 in.) |
O.D. (D)
6.350
mm + 0.000 / - 0.005 (Equiv. 0.25 in.) |
Width (B)
2.779
mm + 0.000 / - 0.040 (Equiv. 0.109 in.) |
|
|||
| Material: Stainless Steel AISI 440C - High Speed Phenolic Cage Flange Diameter (DF): 7.518 mm Flange Width (BF): 0.787 Precision Grade: Abec 7 - Optimyn Germany Dental Special Closure Type: ZS Bearing Type: D27 Flanged Dental Special Lubricant: Oil - Special | ||||||
|
Part Number: SFR144A-D27-ZSO-KC-OPT (Each)
95 Available Now | Further orders can be expected around Wed, Apr 29, 2026 Regular price
$31.05 AUD
Regular price
Unit price
/
per
Each
Excludes GST and overseas Taxes & Duties |
||||||
|
||||||
| Dental Applications Bearings - 5x10x4 mm - Stainless Steel AISI 440C - Dental Special Bearing | ||||||
|
ID (d)
5.000
mm (Equiv. 0.197 in.) |
O.D. (D)
10.000
mm (Equiv. 0.394 in.) |
Width (B)
4.000
mm (Equiv. 0.157 in.) |
|
|||
| Material: Stainless Steel AISI 440C - Dental Special Precision Grade: Abec 3 Closure Type: ZS Bearing Type: R Dental Special Lubricant: Oil - Aeroshell Fluid 12 Additional Information: BH12223-1005 | ||||||
|
Part Number: DB12223-1005 (Each)
2 Available Now | Further orders can be expected around Wed, Apr 29, 2026 Regular price
$8.41 AUD
Regular price
Unit price
/
per
Each
Excludes GST and overseas Taxes & Duties |
||||||
| Dental Applications Bearings - 5x10x4 mm - Stainless Steel AISI 440C - Dental Special Bearing | ||||||
|
ID (d)
5.000
mm (Equiv. 0.197 in.) |
O.D. (D)
10.000
mm (Equiv. 0.394 in.) |
Width (B)
4.000
mm (Equiv. 0.157 in.) |
|
|||
| Material: Stainless Steel AISI 440C - Dental Special Precision Grade: Abec 3 Closure Type: ZS Bearing Type: R Dental Special Lubricant: Oil - Aeroshell Fluid 12 Additional Information: BH12223-1005 | ||||||
|
Part Number: DB12223-1005 (Each)
2 Available Now | Further orders can be expected around Wed, Apr 29, 2026 Regular price
$8.41 AUD
Regular price
Unit price
/
per
Each
Excludes GST and overseas Taxes & Duties |
||||||
|
||||||
| Dental Applications Bearings - 7x14x5 mm - Stainless Steel AISI 440C Bearing | ||||||
|
ID (d)
7.000
mm + 0.000 / - 0.004
(Equiv. 0.276 in.) |
O.D. (D)
14.000
mm + 0.000 / - 0.005 (Equiv. 0.551 in.) |
Width (B)
5.000
mm + 0.000 / - 0.040 (Equiv. 0.197 in.) |
|
|||
|
Material: Stainless Steel AISI 440C
Precision Grade: Abec 1
Closure Type: ZZ
Bearing Type: Radial with 2 Oring Grooves
Deleted Item. Available while stocks last. Special bearing with 2 o-rings in OD grooves. |
||||||
|
Part Number: S687A-ZZ-MC3-2OR (Each)
2 Available Now | Item Discontinued - Up to 2 may be ordered online. No backorders. Please contact us if you need a larger quantity Regular price
$18.00 AUD
Regular price
Unit price
/
per
Each
Excludes GST and overseas Taxes & Duties |
||||||
| Dental Applications Bearings - 7x14x5 mm - Stainless Steel AISI 440C Bearing | ||||||
|
ID (d)
7.000
mm + 0.000 / - 0.004 (Equiv. 0.276 in.) |
O.D. (D)
14.000
mm + 0.000 / - 0.005 (Equiv. 0.551 in.) |
Width (B)
5.000
mm + 0.000 / - 0.040 (Equiv. 0.197 in.) |
|
|||
|
Material: Stainless Steel AISI 440C
Precision Grade: Abec 1
Closure Type: ZZ
Bearing Type: Radial with 2 Oring Grooves
Deleted Item. Available while stocks last. Special bearing with 2 o-rings in OD grooves. |
||||||
|
Part Number: S687A-ZZ-MC3-2OR (Each)
2 Available Now | Item Discontinued - Up to 2 may be ordered online. No backorders. Please contact us if you need a larger quantity Regular price
$18.00 AUD
Regular price
Unit price
/
per
Each
Excludes GST and overseas Taxes & Duties |
||||||
|
||||||
| Dental Applications Bearings - 3.175x6.35x2.381 mm - Stainless Steel AISI 440C - Ceramic Si3N4 Balls Bearing | ||||||
|
ID (d)
3.175
mm + 0.000 / - 0.004
(Equiv. 0.125 in.) |
O.D. (D)
6.350
mm + 0.000 / - 0.005 (Equiv. 0.25 in.) |
Width (B)
2.381
mm + 0.000 / - 0.040 (Equiv. 0.094 in.) |
Flange Diameter (DF)
7.518
mm |
Flange Width (BF)
0.584
|
|
|
|
Material: Stainless Steel AISI 440C - Ceramic Si3N4 Balls
Precision Grade: Abec 7
Closure Type: Open
Bearing Type: Radial Flanged
Deleted Item. Available while stocks last. |
||||||
|
Part Number: SFR144-D28-CSN-KC (PK-10)
8 units (80 pcs) Available Now | Item Discontinued - Up to 8 may be ordered online. No backorders. Please contact us if you need a larger quantity Regular price
$22.24 AUD
Regular price
Unit price
/
per
Priced, Stocked and Sold Per 10 Units
Excludes GST and overseas Taxes & Duties |
||||||
| Dental Applications Bearings - 3.175x6.35x2.381 mm - Stainless Steel AISI 440C - Ceramic Si3N4 Balls Bearing | ||||||
|
ID (d)
3.175
mm + 0.000 / - 0.004 (Equiv. 0.125 in.) |
O.D. (D)
6.350
mm + 0.000 / - 0.005 (Equiv. 0.25 in.) |
Width (B)
2.381
mm + 0.000 / - 0.040 (Equiv. 0.094 in.) |
|
|||
|
Material: Stainless Steel AISI 440C - Ceramic Si3N4 Balls
Flange Diameter (DF): 7.518 mm
Flange Width (BF): 0.584
Precision Grade: Abec 7
Closure Type: Open
Bearing Type: Radial Flanged
Deleted Item. Available while stocks last. |
||||||
|
Part Number: SFR144-D28-CSN-KC (PK-10)
8 units (80 pcs) Available Now | Item Discontinued - Up to 8 may be ordered online. No backorders. Please contact us if you need a larger quantity Regular price
$22.24 AUD
Regular price
Unit price
/
per
Priced, Stocked and Sold Per 10 Units
Excludes GST and overseas Taxes & Duties |
||||||
|
||||||
| Dental Applications Bearings - 3.175 6.350 / 5.979 2.779 mm - Stainless Steel AISI 440C - Ceramic Si3N4 Balls - Dental Special Bearing | ||||||
|
ID (d)
3.175
mm + 0.000 / - 0.004
(Equiv. 0.125 in.) |
O.D. (D)
6.350 / 5.979
mm + 0.000 / - 0.005 (Equiv. 0.25 in.) |
Width (B)
2.779
mm + 0.000 / - 0.040 (Equiv. 0.109 in.) |
|
|||
|
Material: Stainless Steel AISI 440C - Ceramic Si3N4 Balls - Dental Special
Precision Grade: Abec 7
Closure Type: ZS
Bearing Type: D107 Dental Special
Stepped OD angular contact with ceramic balls for precision dental handpieces |
||||||
|
Part Number: SR144A-D107-CSN-ZS-TO (Each)
20 Available Now | Further orders can be expected around Wed, Apr 29, 2026 Regular price
$41.68 AUD
Regular price
Unit price
/
per
Each
Excludes GST and overseas Taxes & Duties |
||||||
| Dental Applications Bearings - 3.175 6.350 / 5.979 2.779 mm - Stainless Steel AISI 440C - Ceramic Si3N4 Balls - Dental Special Bearing | ||||||
|
ID (d)
3.175
mm + 0.000 / - 0.004 (Equiv. 0.125 in.) |
O.D. (D)
6.350 / 5.979
mm + 0.000 / - 0.005 (Equiv. 0.25 in.) |
Width (B)
2.779
mm + 0.000 / - 0.040 (Equiv. 0.109 in.) |
|
|||
|
Material: Stainless Steel AISI 440C - Ceramic Si3N4 Balls - Dental Special
Precision Grade: Abec 7
Closure Type: ZS
Bearing Type: D107 Dental Special
Stepped OD angular contact with ceramic balls for precision dental handpieces |
||||||
|
Part Number: SR144A-D107-CSN-ZS-TO (Each)
20 Available Now | Further orders can be expected around Wed, Apr 29, 2026 Regular price
$41.68 AUD
Regular price
Unit price
/
per
Each
Excludes GST and overseas Taxes & Duties |
||||||
|
||||||
| Dental Applications Bearings - 3.175 6.350 / 5.979 - 3.200 / 4.200 - Stainless Steel AISI 440C - Dental Special Bearing | ||||||
|
ID (d)
3.175
mm + 0.000 / - 0.004
(Equiv. 0.125 in.) |
O.D. (D)
6.350 / 5.979
mm + 0.000 / - 0.005 (Equiv. 0.25 in.) |
Width (B)
3.200 / 4.200
mm + 0.000 / - 0.040 (Equiv. 0.126 in.) |
|
|||
|
Material: Stainless Steel AISI 440C - Dental Special
Precision Grade: Abec 7
Closure Type: ZS
Bearing Type: D650 (Extended Shroud)
Lubricant: Oil - Undisclosed
Additional Information: Outer ring is stepped from 6.35mm to 5.979mm. Inner ring is wider than outer ring.
Deleted Item. Available while stocks last. |
||||||
|
Part Number: SR144A-D650-CSN-TO-ZS (Each)
1 Available Now | Item Discontinued - Up to 1 may be ordered online. No backorders. Please contact us if you need a larger quantity Regular price
$44.51 AUD
Regular price
Unit price
/
per
Each
Excludes GST and overseas Taxes & Duties |
||||||
| Dental Applications Bearings - 3.175 6.350 / 5.979 - 3.200 / 4.200 - Stainless Steel AISI 440C - Dental Special Bearing | ||||||
|
ID (d)
3.175
mm + 0.000 / - 0.004 (Equiv. 0.125 in.) |
O.D. (D)
6.350 / 5.979
mm + 0.000 / - 0.005 (Equiv. 0.25 in.) |
Width (B)
3.200 / 4.200
mm + 0.000 / - 0.040 (Equiv. 0.126 in.) |
|
|||
|
Material: Stainless Steel AISI 440C - Dental Special
Precision Grade: Abec 7
Closure Type: ZS
Bearing Type: D650 (Extended Shroud)
Lubricant: Oil - Undisclosed
Additional Information: Outer ring is stepped from 6.35mm to 5.979mm. Inner ring is wider than outer ring.
Deleted Item. Available while stocks last. |
||||||
|
Part Number: SR144A-D650-CSN-TO-ZS (Each)
1 Available Now | Item Discontinued - Up to 1 may be ordered online. No backorders. Please contact us if you need a larger quantity Regular price
$44.51 AUD
Regular price
Unit price
/
per
Each
Excludes GST and overseas Taxes & Duties |
||||||
|
||||||













