Internal Retaining Rings - 25.4x0.94x26.5 mm Spiral Rings - Carbon Spring Steel Spiral Ring
RR-100 (PK-2)
MBA
Store Name: Small Parts & Bearings
Additional resources:Spiral Rings and Snap Rings PDF
Order 50 or more packs (100 pcs)
for $3.97 AUD per 2
Couldn't load pickup availability
Base Category: Retaining Rings - Internal
Top Level Category: Retaining Rings - Internal - Spiral Rings - Medium Duty - Carbon Steel
Product Details
Additional stock available from USA subject to Prior Sale = 25907
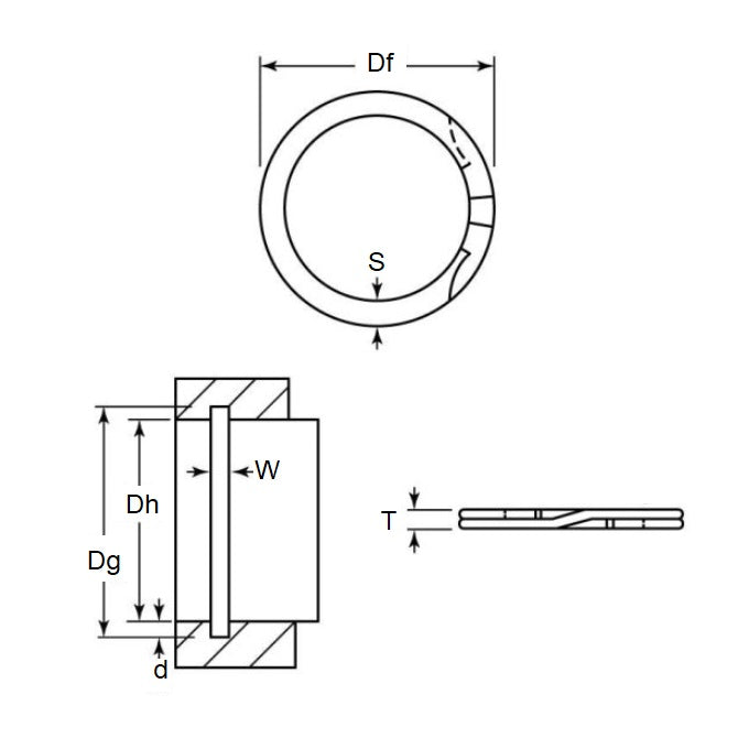
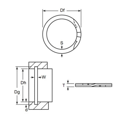
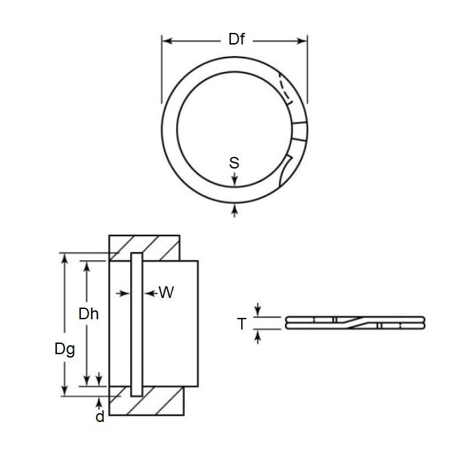
Housing Bore (B): 25.40mm
(25.40mm is 1 in.)
Carbon Spring Steel
- Housing Bore (B): 25.40mm
(25.40mm is 1 in.)
- Clip Thickness (T): 0.94mm
+/- 0.05
(0.94mm is 0.037 in.)
- Groove Dia. (Dg): 26.50mm
(26.50mm is 1.043 in.)
- Approx. Loose Circlip OD (Dr): 26.52mm
+ 0.33 / - 0.00
- Radial Wall (S) Approx.: 1.91mm
+/- 0.11
- Groove Width (W): 1.11mm
+/- 0.07
- Approx. Loose Clip ID: 22.7
+/- 0.03
- Groove Depth (d): 0.53
Brand: MBA
Country of Origin: US
Product Compliance and Data
Similar to
- ALTPART
- 92602A150
- Associated Spring AI-100
- Smalley WH-100
- Spirolox WH-100
- WH100
- AI100
We offer equivalents to many brands including Anderton, Barden, Berg, Designatronics, EZO, ISC, Koyo, Myonic, NMB, Nordex, NSK, Ondrives, Reid Industrial, RMB, SDP-SI, Seeger, SKF, and more.
Share

Click to open these sections
Collapsible content
PICK UP
Pick up is available from our Coopers Plains warehouse after your order is ready. Please refer to your ready notification email, and bring it with you to collect your parcel.
PDF CATALOGUES
You may freely download the following catalogues to review and compare products. To help you select the most readily available items, rows are colour coded and marked according to the key at the bottom of each page.
Part numbers from these catalogues can be checked in the online store. If they don't appear in the store, please email us for more information about the part.
Bearing Material Selection and Benefits
Bearings - Corrosion Resistant
Bearings - Radial - Master List
CROSS REFERENCES
We provide equivalents to many brands including Berg - Designatronics - Nordex - NSK - Oilite - Ondrives - Reid Industrial - SDP-SI - SKF. The following PDF cross references contain hundreds of thousands of part conversions.
Information, Catalogues, and News
View all-
Free Standard Bearings Catalogue
Download the MBA Standard Bearing Range Quick Guide Catalogue *** UPDATE 2026.1 *** JANUARY 2025 The MBA Standard Bearing Catalogue includes sizes from 0.60mm bore (0.024 inches) to 320mm bore...
Free Standard Bearings Catalogue
Download the MBA Standard Bearing Range Quick Guide Catalogue *** UPDATE 2026.1 *** JANUARY 2025 The MBA Standard Bearing Catalogue includes sizes from 0.60mm bore (0.024 inches) to 320mm bore...
-
Free Precision Shim Washers Catalogue
Download the Precision Shim Washers PDF Catalogue *** UPDATED RELEASE 2026.1 *** January 2026 The precision shim washers catalogue includes sizes ranging from 1.5x3 mm to 170x200mm, with thicknesses ranging...
Free Precision Shim Washers Catalogue
Download the Precision Shim Washers PDF Catalogue *** UPDATED RELEASE 2026.1 *** January 2026 The precision shim washers catalogue includes sizes ranging from 1.5x3 mm to 170x200mm, with thicknesses ranging...
-
Free Washers & Spacers Catalogue
Download the MBA Washers & Spacers PDF Catalogue *** UPDATED RELEASE 2026.1 *** January 2026 The MBA Washers and Spacers catalogue includes flat washers and round through bore spacers of...
Free Washers & Spacers Catalogue
Download the MBA Washers & Spacers PDF Catalogue *** UPDATED RELEASE 2026.1 *** January 2026 The MBA Washers and Spacers catalogue includes flat washers and round through bore spacers of...
-
Free Wave Washers Catalogue
Download the Wave Spring Washers PDF Catalogue January 2026 Update 2026.1 - Many new sizes available as substitutes for EPL series The MBA Wave Washers catalogue includes 2 (curved), 3...
Free Wave Washers Catalogue
Download the Wave Spring Washers PDF Catalogue January 2026 Update 2026.1 - Many new sizes available as substitutes for EPL series The MBA Wave Washers catalogue includes 2 (curved), 3...