Indexing Unthreaded Non Locking Plungers - 12x22 mm - 3.2 N With Knob - Steel Plunger
PLI-P-050120-21-K-C (Each)
MBA
Store Name: Small Parts & Bearings
Order 50 or more
for $31.95 AUD Each
Base Category: Plungers - Indexing Unthreaded Non Locking
Top Level Category: Plungers - Indexing Unthreaded Non Locking - With Knob
Product Details
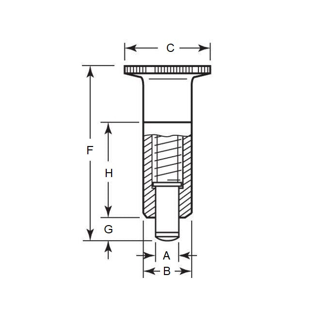
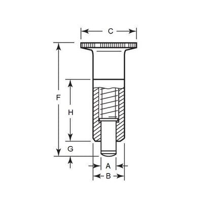
Body Diameter (B): 12.00mm(12.00mm is 0.472 in.)
Steel
- Body Diameter (B): 12.00mm
(12.00mm is 0.472 in.)
- Body Length (H): 22.0mm
(22.0mm is 0.866 in.)
- Initial End Force: 3.2N
- Final End Force: 7.3N
- Tip Diameter (A): 5.0mm
- Nose Length (G): 5.0mm
- Knob Diameter (C): 21.0mm
- Length (F): 45.0mm
Brand: MBA
Country of Origin: US
Product Compliance and Data
Similar to
- Reid Tool® WIP-810
- WIP810
We offer equivalents to many brands including Anderton, Barden, Berg, Designatronics, EZO, ISC, Koyo, Myonic, NMB, Nordex, NSK, Ondrives, Reid Industrial, RMB, SDP-SI, Seeger, SKF, and more.
Share

Click to open these sections
Collapsible content
PICK UP
Pick up is available from our Coopers Plains warehouse after your order is ready. Please refer to your ready notification email, and bring it with you to collect your parcel.
PDF CATALOGUES
You may freely download the following catalogues to review and compare products. To help you select the most readily available items, rows are colour coded and marked according to the key at the bottom of each page.
Part numbers from these catalogues can be checked in the online store. If they don't appear in the store, please email us for more information about the part.
Bearing Material Selection and Benefits
Bearings - Corrosion Resistant
Bearings - Radial - Master List
CROSS REFERENCES
We provide equivalents to many brands including Berg - Designatronics - Nordex - NSK - Oilite - Ondrives - Reid Industrial - SDP-SI - SKF. The following PDF cross references contain hundreds of thousands of part conversions.
Information, Catalogues, and News
View all-
Free Timing Pulleys & Idlers Catalogue
Download the Timing & Idler Pulley Catalogue *** Update 2026.1 *** March 2026 The MBA Timing pulleys catalogue includes timing pulleys from steel and aluminium. More than 20 pages of...
Free Timing Pulleys & Idlers Catalogue
Download the Timing & Idler Pulley Catalogue *** Update 2026.1 *** March 2026 The MBA Timing pulleys catalogue includes timing pulleys from steel and aluminium. More than 20 pages of...
-
Free Circlips & E-Clips Catalogue
Download the MBA Circlips & E-Clips PDF Catalogue *** Update 2026.1 *** February 2026 The MBA Circlips & E-Clips catalogue lists a full range of E-Clips, Internal Circlips, and External...
Free Circlips & E-Clips Catalogue
Download the MBA Circlips & E-Clips PDF Catalogue *** Update 2026.1 *** February 2026 The MBA Circlips & E-Clips catalogue lists a full range of E-Clips, Internal Circlips, and External...
-
Free Standard Bearings Catalogue
Download the MBA Standard Bearing Range Quick Guide Catalogue *** UPDATE 2026.1 *** JANUARY 2026 The MBA Standard Bearing Catalogue includes sizes from 0.60mm bore (0.024 inches) to 320mm bore...
Free Standard Bearings Catalogue
Download the MBA Standard Bearing Range Quick Guide Catalogue *** UPDATE 2026.1 *** JANUARY 2026 The MBA Standard Bearing Catalogue includes sizes from 0.60mm bore (0.024 inches) to 320mm bore...
-
Free Precision Shim Washers Catalogue
Download the Precision Shim Washers PDF Catalogue *** UPDATED RELEASE 2026.1 *** January 2026 The precision shim washers catalogue includes sizes ranging from 1.5x3 mm to 170x200mm, with thicknesses ranging...
Free Precision Shim Washers Catalogue
Download the Precision Shim Washers PDF Catalogue *** UPDATED RELEASE 2026.1 *** January 2026 The precision shim washers catalogue includes sizes ranging from 1.5x3 mm to 170x200mm, with thicknesses ranging...