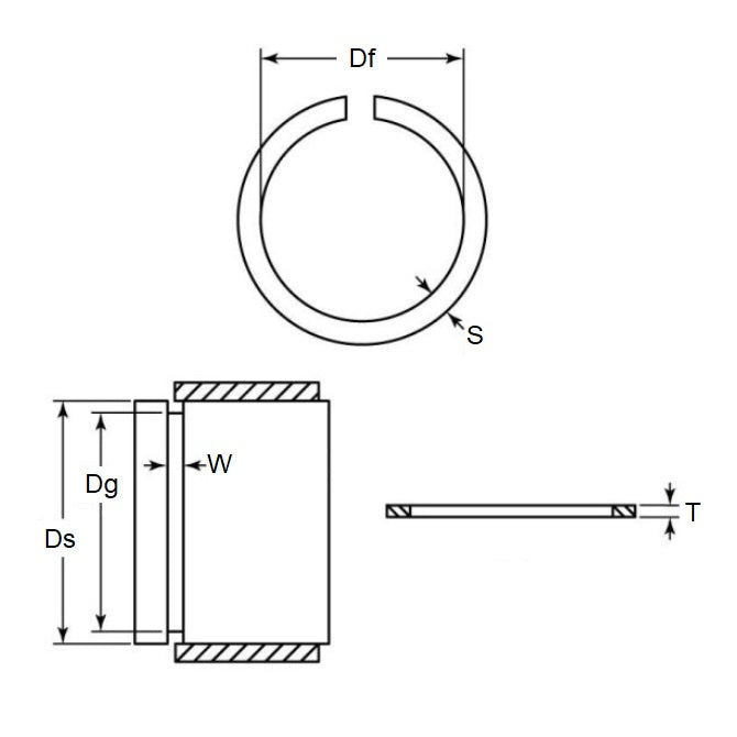
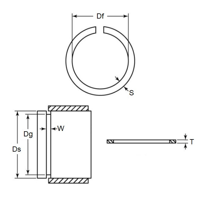
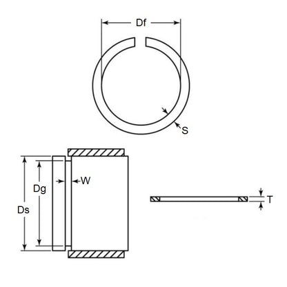
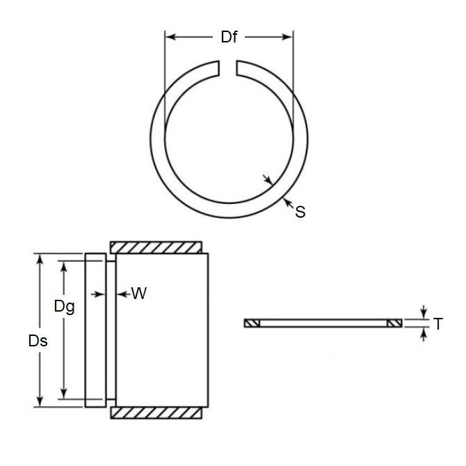
External Retaining Rings - 52x1.12x49.73 mm Snap Rings - Carbon Spring Steel Snap Ring
WRE-0520-LR (PK-2)
MBA
Store Name: Small Parts & Bearings
Additional resources:Snap Rings and Spiral Rings PDF
Order 50 or more pack (100 pcs)
for $6.91 AUD per 2
Base Category: Retaining Rings - External
Top Level Category: Retaining Rings - External - Snap Rings - Carbon Steel
Product Details
Additional stock available from USA subject to Prior Sale = 1429
Shaft or Bearing OD (d1): 52.00mm
(52.00mm is 2.047 in.)
Carbon Spring Steel
- Shaft or Bearing OD (d1): 52.00mm
(52.00mm is 2.047 in.)
- Clip Thickness (T): 1.12mm
+ 0 / - 0.10
(1.12mm is 0.044 in.)
- Groove Dia. (Dg): 49.73mm
+ 0 / - 0.25
(49.73mm is 1.958 in.)
- Approx. Loose Circlip ID (A): 48.80mm
- Radial Wall (S) Approx.: 4.04mm
+ 0 / - 0.10
- Groove Width (W): 1.65mm
- Approx. Loose Clip OD: 56.88
- Info: Radiused Edge
- Section Profile: Rectangular with Radiused Edge
Brand: MBA
Country of Origin: US
Product Compliance and Data
Similar to
- NoCor DSP-052
- Seeger SP-052
- FAG SP52
- Seeger SP52
- WRE0520SR
- M32000520
- M3200-0520
- DSP052
We offer equivalents to many brands including Anderton, Barden, Berg, Designatronics, EZO, ISC, Koyo, Myonic, NMB, Nordex, NSK, Ondrives, Reid Industrial, RMB, SDP-SI, Seeger, SKF, and more.
Share

Click to open these sections
Collapsible content
PICK UP
Pick up is available from our Coopers Plains warehouse after your order is ready. Please refer to your ready notification email, and bring it with you to collect your parcel.
PDF CATALOGUES
You may freely download the following catalogues to review and compare products. To help you select the most readily available items, rows are colour coded and marked according to the key at the bottom of each page.
Part numbers from these catalogues can be checked in the online store. If they don't appear in the store, please email us for more information about the part.
Bearing Material Selection and Benefits
Bearings - Corrosion Resistant
Bearings - Radial - Master List
CROSS REFERENCES
We provide equivalents to many brands including Berg - Designatronics - Nordex - NSK - Oilite - Ondrives - Reid Industrial - SDP-SI - SKF. The following PDF cross references contain hundreds of thousands of part conversions.
Information, Catalogues, and News
View all-
Free Timing Pulleys & Idlers Catalogue
Download the Timing & Idler Pulley Catalogue *** Update 2026.1 *** March 2026 The MBA Timing pulleys catalogue includes timing pulleys from steel and aluminium. More than 20 pages of...
Free Timing Pulleys & Idlers Catalogue
Download the Timing & Idler Pulley Catalogue *** Update 2026.1 *** March 2026 The MBA Timing pulleys catalogue includes timing pulleys from steel and aluminium. More than 20 pages of...
-
Free Circlips & E-Clips Catalogue
Download the MBA Circlips & E-Clips PDF Catalogue *** Update 2026.1 *** February 2026 The MBA Circlips & E-Clips catalogue lists a full range of E-Clips, Internal Circlips, and External...
Free Circlips & E-Clips Catalogue
Download the MBA Circlips & E-Clips PDF Catalogue *** Update 2026.1 *** February 2026 The MBA Circlips & E-Clips catalogue lists a full range of E-Clips, Internal Circlips, and External...
-
Free Standard Bearings Catalogue
Download the MBA Standard Bearing Range Quick Guide Catalogue *** UPDATE 2026.1 *** JANUARY 2026 The MBA Standard Bearing Catalogue includes sizes from 0.60mm bore (0.024 inches) to 320mm bore...
Free Standard Bearings Catalogue
Download the MBA Standard Bearing Range Quick Guide Catalogue *** UPDATE 2026.1 *** JANUARY 2026 The MBA Standard Bearing Catalogue includes sizes from 0.60mm bore (0.024 inches) to 320mm bore...
-
Free Precision Shim Washers Catalogue
Download the Precision Shim Washers PDF Catalogue *** UPDATED RELEASE 2026.1 *** January 2026 The precision shim washers catalogue includes sizes ranging from 1.5x3 mm to 170x200mm, with thicknesses ranging...
Free Precision Shim Washers Catalogue
Download the Precision Shim Washers PDF Catalogue *** UPDATED RELEASE 2026.1 *** January 2026 The precision shim washers catalogue includes sizes ranging from 1.5x3 mm to 170x200mm, with thicknesses ranging...