External Retaining Rings - 35x1.12x33.17 mm Snap Rings - Carbon Spring Steel Snap Ring
WRE-0350-LR (PK-10)
MBA
Store Name: Small Parts & Bearings
Additional resources:Snap Rings and Spiral Rings PDF
Couldn't load pickup availability
Base Category: Retaining Rings - External
Top Level Category: Retaining Rings - External - Snap Rings - Carbon Steel
Product Details
Deleted Item. Available while stocks last.
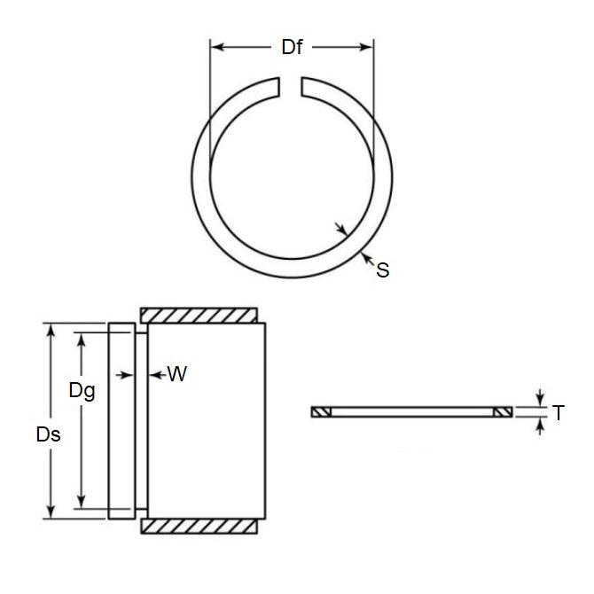
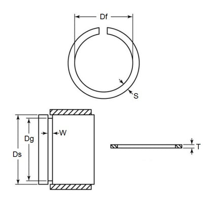
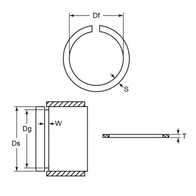
Shaft or Bearing OD (d1): 35.00mm
(35.00mm is 1.378 in.)
Carbon Spring Steel
- Shaft or Bearing OD (d1): 35.00mm
(35.00mm is 1.378 in.)
- Clip Thickness (T): 1.12mm
+ 0 / - 0.10
(1.12mm is 0.044 in.)
- Groove Dia. (Dg): 33.17mm
+ 0 / - 0.25
(33.17mm is 1.306 in.)
- Approx. Loose Circlip ID (A): 32.40mm
- Radial Wall (S) Approx.: 3.25mm
+ 0 / - 0.10
- Groove Width (W): 1.65mm
- Approx. Loose Clip OD: 38.9
- Info: Radiused Edge
- Section Profile: Rectangular with Radiused Edge
Brand: MBA
Country of Origin: US
Product Compliance and Data
Similar to
- NoCor DSP-035
- FAG SP35
- Seeger SP35
- Seeger SP35-BLS
- WRE0350SR
- M3200-0350
- M32000350
- DSP035
- SP35BLS
We offer equivalents to many brands including Anderton, Barden, Berg, Designatronics, EZO, ISC, Koyo, Myonic, NMB, Nordex, NSK, Ondrives, Reid Industrial, RMB, SDP-SI, Seeger, SKF, and more.
Share

Click to open these sections
Collapsible content
PICK UP
Pick up is available from our Coopers Plains warehouse after your order is ready. Please refer to your ready notification email, and bring it with you to collect your parcel.
PDF CATALOGUES
You may freely download the following catalogues to review and compare products. To help you select the most readily available items, rows are colour coded and marked according to the key at the bottom of each page.
Part numbers from these catalogues can be checked in the online store. If they don't appear in the store, please email us for more information about the part.
Bearing Material Selection and Benefits
Bearings - Corrosion Resistant
Bearings - Radial - Master List
CROSS REFERENCES
We provide equivalents to many brands including Berg - Designatronics - Nordex - NSK - Oilite - Ondrives - Reid Industrial - SDP-SI - SKF. The following PDF cross references contain hundreds of thousands of part conversions.
Information, Catalogues, and News
View all-
Free Standard Bearings Catalogue
Download the MBA Standard Bearing Range Quick Guide Catalogue *** UPDATE 2026.1 *** JANUARY 2025 The MBA Standard Bearing Catalogue includes sizes from 0.60mm bore (0.024 inches) to 320mm bore...
Free Standard Bearings Catalogue
Download the MBA Standard Bearing Range Quick Guide Catalogue *** UPDATE 2026.1 *** JANUARY 2025 The MBA Standard Bearing Catalogue includes sizes from 0.60mm bore (0.024 inches) to 320mm bore...
-
Free Precision Shim Washers Catalogue
Download the Precision Shim Washers PDF Catalogue *** UPDATED RELEASE 2026.1 *** January 2026 The precision shim washers catalogue includes sizes ranging from 1.5x3 mm to 170x200mm, with thicknesses ranging...
Free Precision Shim Washers Catalogue
Download the Precision Shim Washers PDF Catalogue *** UPDATED RELEASE 2026.1 *** January 2026 The precision shim washers catalogue includes sizes ranging from 1.5x3 mm to 170x200mm, with thicknesses ranging...
-
Free Washers & Spacers Catalogue
Download the MBA Washers & Spacers PDF Catalogue *** UPDATED RELEASE 2026.1 *** January 2026 The MBA Washers and Spacers catalogue includes flat washers and round through bore spacers of...
Free Washers & Spacers Catalogue
Download the MBA Washers & Spacers PDF Catalogue *** UPDATED RELEASE 2026.1 *** January 2026 The MBA Washers and Spacers catalogue includes flat washers and round through bore spacers of...
-
Free Wave Washers Catalogue
Download the Wave Spring Washers PDF Catalogue January 2026 Update 2026.1 - Many new sizes available as substitutes for EPL series The MBA Wave Washers catalogue includes 2 (curved), 3...
Free Wave Washers Catalogue
Download the Wave Spring Washers PDF Catalogue January 2026 Update 2026.1 - Many new sizes available as substitutes for EPL series The MBA Wave Washers catalogue includes 2 (curved), 3...