
Miniature Bearings Australia
REF-080-R-PP - Datasheet
MBA
Category Information
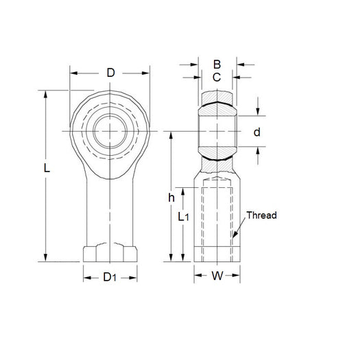
Rod Ends - Female - PlasticPlastic Female Rod Ends. Thermoplastic Body / L280(R) Polymer Ball. Also known as Heim Joints
- An expanded range may be available on special order. Please enquire.
- Dimensions not shown are available on request.
Product Data
- Eye Size (d1)
:
8.000
mm
(Equiv. 0.315 in.) - Overall Length (L)
48.00
mm
(Equiv. 1.89 in.) - Thread Size M8x1.25 Right
- Thread Length (l2) 16.00 mm
- Head Width (W) 9.00 mm
- Eye Width (W1) 12.00 mm
- Head Diameter (D1) 24.00 mm
- Centre Height (l1) 36.00 mm
- Grease Nipple No
- Max Angle of Pivot 25 °
- Max Torque Strength 12.10 n.m
- Body Width/Flange Width(W2/D3) 13.00 / 16.00 mm
- Material Plastic
Product Compliance and Data
Additional Resources
Cross References
- KBRM08
- KBRM-08
- I-534
- I534
- S62GFRM0812R


