
Miniature Bearings Australia
UR-200 - Datasheet
MBA
Category Information
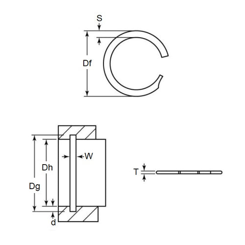
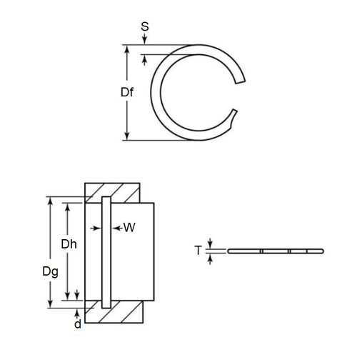
Retaining Rings - Internal - Spiral Rings - Light Duty - Carbon SteelCarbon Steel Light Duty Spiral Rings Internal Retaining Rings. Includes series CI / VH / UR - Spring Steel
- An expanded range may be available on special order. Please enquire.
- Light duty rings for use in low clearance applications.
- Also used as a positioning point for light loads.
- Radius notch on one end for removal.
- Narrow radial wall yields moderate thrust loads.
- Equivalent to Associated Spring: CI, Smalley: VH, Spirolox and Ramsey: UR
Product Data
Deleted Item. Available while stocks last.
Please contact us first if you wish to use this item in a new design so we can check whether production can be resumed.
- Housing Bore (B)
:
50.80
mm
(Equiv. 2 in.) - Clip Thickness (T)
0.79
mm
+/- 0.05
(Equiv. 0.031 in.) - Groove Dia. (Dg)
52.25
mm
(Equiv. 2.057 in.) - Approx. Loose Circlip OD (Dr) 53.24 mm + 0.51 / - 0.00
- Radial Wall (S) Approx. 3.00 mm + 0.08 / - 0.13
- Groove Width (W) 1.00 mm +/- 0.13
- Approx. Loose Clip ID 47.24 + 0.07 / - 0.00
- Groove Depth (d) 0.74
- Material Carbon Spring Steel
Product Compliance and Data
Additional Resources
Cross References
- 91663A660
- Associated Spring® CI-200
- Smalley® UR-200
- Spirolox® UR-200
- Smalley® VH-200
- UR200
- VH200
- CI200


