
Miniature Bearings Australia
CLB01M6-OUK - Datasheet
MBA
Category Information
Levers - Clamp StandardClamp Standard Levers. Steel Parts: Quality class 5.8.
- This category will be discontinued when this item is sold.
- This item is priced to quit.
- Backorders or orders for previously listed items in the category will only be available for very large orders.
- Handle: Diecast zinc to DIN 1743 or Glass fibre reinforced plastic with toothed wheel in diecast zinc.
- Surface Finish: Handle plastic coated. Steel parts black oxide finish.
Product Data
Deleted Item. Available while stocks last.
Please contact us first if you wish to use this item in a new design so we can check whether production can be resumed.
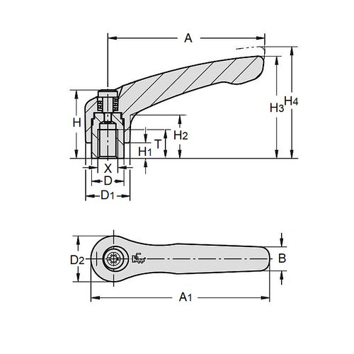
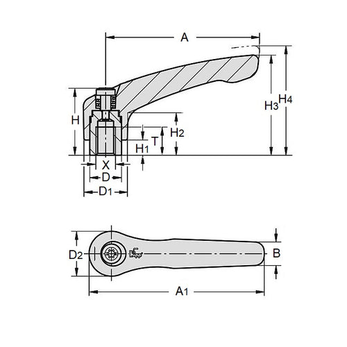
- Thread Size : M6 (6x1mm)
- Lever Centre Length (C) 40.00
- - 40.00
- Colour Black
- Lever Length (A1) 47.00 mm
- Lever Width (B) 7.50 mm
- Thread Length 9.00 mm
- Base Diameter (D / D1 / D2) 10 / 13 / 14.5 mm
- Base Height (H) 24 mm
- Base Height ( H1 / H2) 4 / 15 mm
- Centre Height (H3) 29.5 mm
- Centre Height (H4) 33.5 mm
- Material Steel with Plastic Coat
Product Compliance and Data
Additional Resources
Cross References
- CLB01M6


