
Miniature Bearings Australia
GB-21A-M4-20-200-C - Datasheet
MBA
Category Information
Gears - Bevel - Module 4 - SteelSteel Module 4 Bevel Gears. For 90 Degree angle power transfer. Ratios exceeding 1 to 1.
- An expanded range may be available on special order. Please enquire.
- 20 Degree Pressure Angle.
- Do not mix gears from different sets.
- See Gears - Mitre for 1 to 1 ratios.
Product Data
- Ratio : 2 to 1
- Comment Small Gear Only
- Matching Gear to Complete Set GB-21B-M4-40-200-C (40 Tooth Gear)
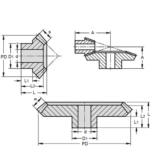
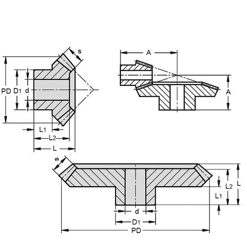
- Teeth 20 No.
- Bore (d) 20.00 mm H7
- Pitch Diameter (PD) 80.00 mm
- Face Width (S) 28.00 mm
- Overall Width (L) 66.59 mm
- Hub Diameter (D1) 60.00 mm
- Mounting Distance (A) 120.00 mm
- Hub Length (l1) 35.00 mm
- Material Steel
Product Compliance and Data
Additional Resources
View full details


