Small Parts & Bearings
Miniature Bearings Australia

BF0090-0140-0100-PM - Datasheet

Iglidur

Category Information

Bushes - Flanged - Plastic - Iglidur M250

Iglidur M250 Plastic Flanged Bushes. For impact resistance vibration dampening unclean environments.

  • An expanded range may be available on special order. Please enquire.
  • Specific Gravity 1.14 g/cm3.
  • Operating Temp 170 C short term / 80 C long term.
  • Tensile Strength at 20 Deg C = 112 Mpa.
  • Hardness 79 Shore D (DIN53505).
  • Bushing bore tolerance shown is after a H7 press fit.

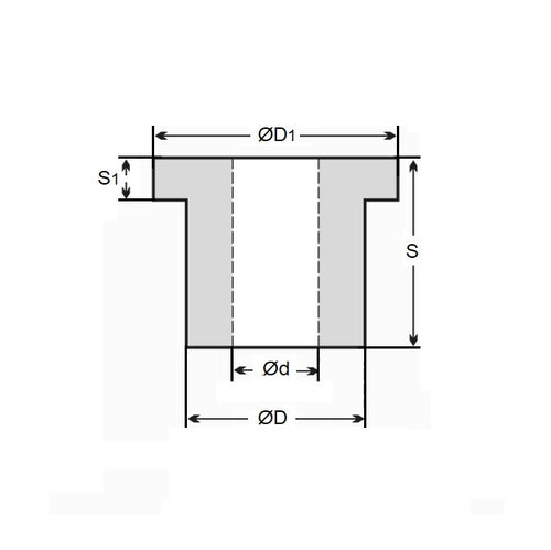
Product Data

  • Nominal Inside Diameter (d) : 9.000 mm + 0.040 / + 0.130
    (Equiv. 0.354 in.)
  • Nominal Outside Diameter (D) 14.000 mm
    (Equiv. 0.551 in.)
  • Length (s) 10.000 mm + 0.000 / - 0.220
    (Equiv. 0.394 in.)
  • Flange OD (D1) 19.00 mm
  • Flange Thickness (s1) 2.00 mm
  • Material Iglidur M250
Country of Origin: DE

Product Compliance and Data

Additional Resources

Cross References

  • Igus MFM-0914-10
  • MFM091410
View full details