
Miniature Bearings Australia
RPI-095-096-C - Datasheet
MBA
Category Information
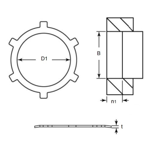
Retaining Rings - Push In Carbon SteelPush In Carbon Steel Retaining Rings. Thrust load shown is calculated for ideal conditions with mild steel bore.
Product Data
- Housing Bore (B) Min
:
9.50
mm
(Equiv. 0.374 in.) - Housing Bore (B) Max
9.56
mm
(Equiv. 0.376 in.) - Inside Clearance (D1)
4.45
mm
+ / - 0.13
(Equiv. 0.175 in.) - Thickness (t) 0.25 mm +/- 0.03
- Recommended Depth (n1) 1.02 mm
- Thrust Load 1037 kg.cm
- Material Carbon Spring Steel Self Finish
Product Compliance and Data
Additional Resources
Cross References
- 98435A134
- Small Parts RSI-6
- NoCor TI-037
- TI037
- RSI6
- N1305-0037APP
- N13050037APP
- N1305-0037-APP


