
Miniature Bearings Australia
KS5094 - Datasheet
MBA
Category Information
Tube - Round - BrassBrass Round Tube. Hollow brass round tubing for general hobby applications.
- Round tubing are available in many different materials.
- Includes K&S Metals range and more
- May be slightly oversized on OD so some reworking might be required before fitting closely mating parts.
- Includes K&S Metals range and more.
- This product is not recommended for use as a bearing shaft. We suggest you use items from the category - Shafting - Ground for bearing shaft.
- Many sizes fit neatly into larger sizes to allow for telescoping size applications. Some items may be available in longer or shorter lengths. E-mail us with enquiries.
Product Data
Deleted Item. Available while stocks last.
Please contact us first if you wish to use this item in a new design so we can check whether production can be resumed.
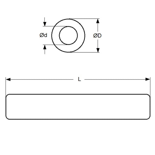
- OD (D)
:
8.8x6.3
mm
(Equiv. 0.346 in.) - ID (d)
8.0x5.5
mm
(Equiv. 0.315 in.) - Length (L)
300
mm
(Equiv. 11.811 in.) - Temper Alloy 260 1/2-3/4 hard mill finish ASTM B135
- Other Info Special Oval Tubing
- Quantity Per Card 2
- Material Brass
Product Compliance and Data
Additional Resources
View full details


