
Miniature Bearings Australia
YE-6RS - Datasheet
MBA
Category Information
Yoke Ends - ThreadedThreaded Yoke Ends. Linkage connectors with threaded ends.
- A yoke end, also known as a clevis end, is a U-shaped metal fastener used to connect rods, cables, or pipes to a mounting point.
- It's commonly used in lifting, rigging, and other applications where secure attachment and articulation are needed.
- Yoke ends require a clevis pin and cotter pin for secure attachment.
- Drop forged steel machined to SAE standards
- Also see clevis joints
Product Data
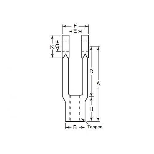
- Effective Length (A)
:
76.200
mm
(Equiv. 3 in.) - Hub Diameter (B)
20.640
mm
(Equiv. 0.813 in.) - Gap (E) +/- 0.38
14.290
mm
(Equiv. 0.563 in.) - Width (F) +/- 0.38 28.58 mm
- Hole Size (G) +0.25 12.70 mm
- Stud Height (H) (+0.79) 29 mm
- Housing Diameter (K) 24 mm
- Thread Size 1/2-20 UNF
- Material Steel
Product Compliance and Data
Additional Resources


