
Miniature Bearings Australia
RR-237 - Datasheet
MBA
Category Information
Retaining Rings - Internal - Spiral Rings - Medium Duty - Carbon SteelCarbon Steel Medium Duty Spiral Rings Internal Retaining Rings. Includes AI / WH / AS3217 / RR / MIL-R-27426B1 - Spring Steel
- An expanded range may be available on special order. Please enquire.
- Popular series that will accommodate light and medium bearing series thrust loads.
- Available in military and aerospace specifications.
- Equivalent to Associated Spring: AI, Smalley: WH, Spirolox and Ramsey: RR, Aerospace AS3217, MIL-R-27426B1
Product Data
Deleted Item. Available while stocks last.
Please contact us first if you wish to use this item in a new design so we can check whether production can be resumed.
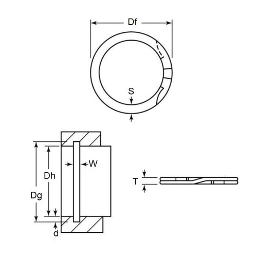
- Housing Bore (B)
:
60.33
mm
(Equiv. 2.375 in.) - Clip Thickness (T)
1.25
mm
+/- 0.08
(Equiv. 0.049 in.) - Groove Dia. (Dg)
62.30
mm
(Equiv. 2.453 in.) - Approx. Loose Circlip OD (Dr) 62.98 mm + 0.64 / - 0.00
- Radial Wall (S) Approx. 3.51 mm +/- 0.11
- Groove Width (W) 1.47 mm +/- 0.15
- Approx. Loose Clip ID 55.96 +/- 0.05
- Groove Depth (d) 0.99
- Material Carbon Spring Steel
Product Compliance and Data
Additional Resources
Cross References
- Associated Spring AI-237
- Smalley RR-237
- Spirolox RR-237
- Smalley WH-237
- Spirolox WH-237
- WH237
- AI237
- RR237


