
Miniature Bearings Australia
JLP-255RS - Datasheet
MBA
Category Information
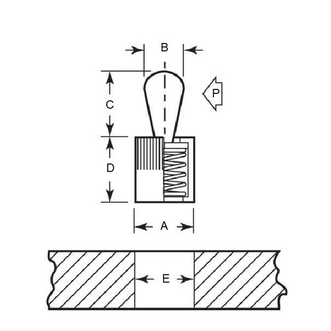
Pins - Locating Spring - Stainless Pin - UnsealedUnsealed Stainless Pin Locating Spring Pins. Aluminium Body. For fixturing small parts in tight areas. Ideal for positioning and chucking flat or round parts for profile clamping.
Product Data
- Diameter (A)
:
6.35
mm
(Equiv. 0.25 in.) - Pin Diameter (B)
3.00
mm
(Equiv. 0.118 in.) - Pin Height (C)
3.71
mm
(Equiv. 0.146 in.) - D 7.49 mm
- E 6.35 mm + 0.025 / - 0.000
- P Force 1.00 Kg
- X 0.99 mm
- Installation Tool JLP-400
- Material Stainless Steel
Product Compliance and Data
Additional Resources
View full details


