
Miniature Bearings Australia
GB-51A-M1-60-100-A - Datasheet
MBA
Category Information
Gears - Bevel - Module 1 PlasticModule 1 Plastic Bevel Gears. For 90 Degree angle power transfer. Ratios exceeding 1 to 1.
- An expanded range may be available on special order. Please enquire.
- 20 Degree Pressure Angle.
- Do not mix gears from different sets.
- See Gears - Mitre for 1 to 1 ratios.
Product Data
- Ratio : 5 to 1
- Comment Large Gear Only
- Matching Gear to Complete Set GB-51A-M1-12-040-A
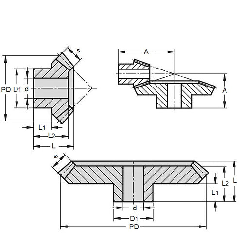
- Teeth 60 No.
- Bore (d) 10.000 / Plain Hub mm
- Pitch Diameter (PD) 60.00 mm
- Face Width (S) 9.50 mm
- Overall Width (L) 17.40 mm
- Hub Diameter (D1) 20.50 mm
- Mounting Distance (A) 21.00 mm
- Hub Length (l1) 11.00 mm
- Material Acetal
Product Compliance and Data
Additional Resources
Cross References
- A1M3MYZ1060


