
Miniature Bearings Australia
SMR599-150-YY-VP-097 - Datasheet
MBA
Category Information
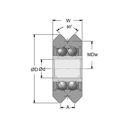
Dual Vee - Plain Guide WheelsPlain Guide Wheels Dual Vee. Vee grooved track roller guide wheels with Abec 5 precision bearings.
- An expanded range may be available on special order. Please enquire.
- Match with correct Track Size.
Product Data
- Size Reference : 4
- Outside Diameter (O.D)
59.944
mm
(Equiv. 2.36 in.) - Journal Width (W)
19.050
mm
(Equiv. 0.75 in.) - Groove Top Width (A) 9.652 mm
- Bore (d) 15.000 mm
- Bottom of Groove to Ctre (MDw) 25.40 mm
- Radial Working Load Capacity 516 KgF
- Axial Working Load Capacity 439 KgF
- Bearing Type Sealed Bearing
- Material Stainless Steel AISI 440C
Product Compliance and Data
Additional Resources


