
Miniature Bearings Australia
P-030G-040-090FF-PP-N-060 - Datasheet
MBA
Category Information
Pulleys - Metric Timing - 3.000mm Pitch - GT - 9mm Wide - Plastic PlainPlastic Plain 9mm Wide GT 3.000mm Pitch Metric Timing Pulleys. Timing Pulleys to suit GT 3.000mm Pitch Timing Belts 9mm Wide. No locking device. Use with GT2 or GT3 type belts.
- Timing pulleys combined with timing belts, provide power transmission without slippage.
- Timing pulleys are toothed pulleys used with timing belts to synchronize the movement of different mechanical components, ensuring precise timing and coordination.
- Some uses for timing pulleys include 3D printers, CNC machines, robotics and automation components, textile machinery, office equipment such as scanners and copiers, and medical devices requiring precise movement control.
- Use with GT2 or GT3 type belts.
Product Data
Deleted Item. Available while stocks last.
Please contact us first if you wish to use this item in a new design so we can check whether production can be resumed.
- Number of Teeth : 40
- Max Belt Width
9.00
mm
(Equiv. 0.354 in.) - Bore (d)
6.000
mm
(Equiv. 0.236 in.) - Locking Type No Locking Device
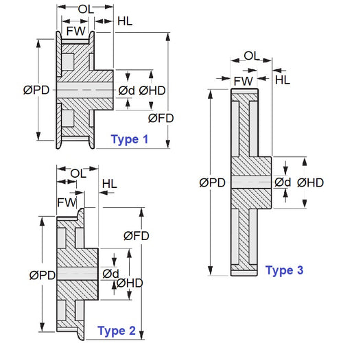
- Type (See Diagram) Fig 2 mm
- Pitch Diameter (PD) 38.18 mm
- Flange Diameter (FD) 45.0 mm
- Overall Length 20.6 mm
- Hub Diameter (HD) 22.0 mm
- Material Plastic
Product Compliance and Data
Additional Resources
Cross References
- A 6L53M040DF0906
- A6L53M040DF0906


