Small Parts & Bearings
Miniature Bearings Australia

0T-0032-0016-0300-SS304 - Datasheet

MBA

Category Information

Tube - Round - Stainless Steel

Stainless Steel Round Tube. Hollow stainless round tubing for general hobby applications.

  • Round tubing are available in many different materials.
  • Includes K&S Metals range and more
  • May be slightly oversized on OD so some reworking might be required before fitting closely mating parts.
  • Includes K&S Metals range and more.
  • This product is not recommended for use as a bearing shaft.
  • We suggest you use items from the category - Shafting - Ground for bearing shaft.

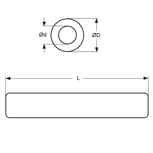
Product Data

  • OD (D) : 3.18 mm +/- 0.051
    (Equiv. 0.125 in.)
  • ID (d) 1.59 mm +/- 0.076
    (Equiv. 0.063 in.)
  • Length (L) 304.8 mm +/- 1.0
    (Equiv. 12 in.)
  • Grade 304
  • Material Stainless Steel 303 PV (Similar to A2, 304, 18-8)
Country of Origin: US

Product Compliance and Data

Additional Resources

Cross References

  • KSE KS7111
  • KSE KS87111
  • KSE KSE-7111
  • 0T003200180300SS304
  • KSE7111
View full details