
Miniature Bearings Australia
RRN-102-S02 - Datasheet
MBA
Category Information
Retaining Rings - Internal - Spiral Rings - Heavy Duty - Stainless SteelStainless Steel Heavy Duty Spiral Rings Internal Retaining Rings. Includes AHI / WHM / AS3215 / Spirolox RRN / MIL-R-27426B2 - Stainless Steel.
- An expanded range may be available on special order. Please enquire.
- Heavy duty design for use with NAS669-670 deep grooves in applications like double row and tapered roller bearings.
- Requires no tools for removal.
- Equivalent to Associated Spring: AHI, Smalley: WHM, Spirolox and Ramsey: RRN, Aerospace AS3215, MIL-R-27426B2
Product Data
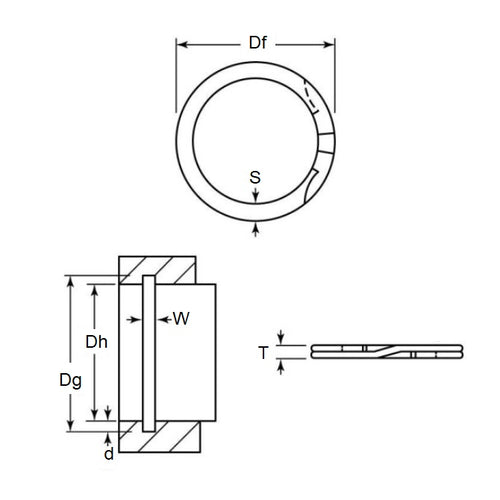
- Housing Bore (B)
:
25.98
mm
(Equiv. 1.023 in.) - Clip Thickness (T)
1.07
mm
+/- 0.05
(Equiv. 0.042 in.) - Groove Dia. (Dg)
27.72
mm
(Equiv. 1.091 in.) - Approx. Loose Circlip OD (Dr) 27.72 mm + 0.33 / - 0.00
- Radial Wall (S) Approx. 2.16 mm +/- 0.10
- Groove Width (W) 1.21 mm +/- 0.07
- Approx. Loose Clip ID 23.4 +/- 0.04
- Groove Depth (d) 0.86
- Material Stainless Steel 302/304 (Similar to A2, 18-8)
Product Compliance and Data
Additional Resources
Cross References
- Associated Spring AHI-102-S02
- Smalley WHM-102-S02
- WHM102S02
- AHI102S02


