
Miniature Bearings Australia
1.61.050.466 - Datasheet
MBA
Category Information
Gearmotors - DC PM - Size 70x114Size 70x114 DC PM Gearmotors. Permanent Magnet.
- This category will be discontinued when this item is sold.
- This item is priced to quit.
- Backorders or orders for previously listed items in the category will only be available for very large orders.
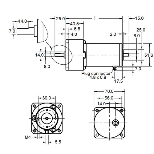
- Max. Allowable Radial Load: 100N (10mm from mounting surface).
- Max. Allowable Axial Load: 30N.
- Axial Play: 0.05 - 0.6mm. Allowable Temperature Range: -20oC to +60oC.
- Integral CD PM Motor - Brush type commutation - 12 segment commutator - RFI protection standard.
- Gear train with steel and high quality plastic gears - Terminal dimensions 4.8 x 0.8 - Weight: 1200g.
Product Data
Deleted Item. Available while stocks last.
Please contact us first if you wish to use this item in a new design so we can check whether production can be resumed.
- Voltage : DC 24 V
- Rated Torque 3300 mNm
- Rated Speed 23.5 rpm
- Rated Current 1250 mA
- No Load Speed 31 rpm
- Terminal Resistance 7.60 Ohms
- Gear Ratio 96.5 : 1
- Gear Stages 4
Product Compliance and Data
Additional Resources


