
Miniature Bearings Australia
SMR196-048-YY-VP-038 - Datasheet
MBA
Category Information
Dual Vee - Plain Guide WheelsPlain Guide Wheels Dual Vee. Vee grooved track roller guide wheels with Abec 5 precision bearings.
- An expanded range may be available on special order. Please enquire.
- Match with correct Track Size.
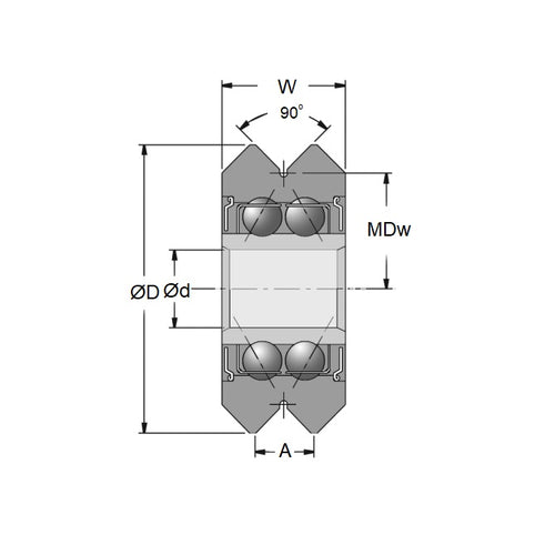
Product Data
Deleted Item. Available while stocks last.
Please contact us first if you wish to use this item in a new design so we can check whether production can be resumed.
- Size Reference : 1
- Outside Diameter (O.D)
19.558
mm
(Equiv. 0.77 in.) - Journal Width (W)
7.938
mm
(Equiv. 0.313 in.) - Groove Top Width (A) 3.810 mm
- Bore (d) 4.762 mm
- Bottom of Groove to Ctre (MDw) 7.95 mm
- Radial Working Load Capacity 65 KgF
- Axial Working Load Capacity 27 KgF
- Bearing Type Sealed Bearing
- Material Stainless Steel AISI 440C
Product Compliance and Data
Additional Resources
Cross References
- SMR195584762YYVP3810


