
Miniature Bearings Australia
RPI-142-143-C - Datasheet
MBA
Category Information
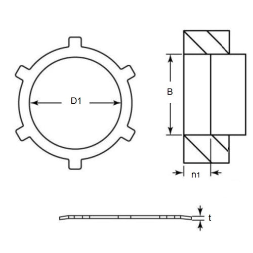
Retaining Rings - Push In Carbon SteelPush In Carbon Steel Retaining Rings. Thrust load shown is calculated for ideal conditions with mild steel bore.
Product Data
- Housing Bore (B) Min
:
14.22
mm
(Equiv. 0.56 in.) - Housing Bore (B) Max
14.33
mm
(Equiv. 0.564 in.) - Inside Clearance (D1)
7.92
mm
+ / - 0.26
(Equiv. 0.312 in.) - Thickness (t) 0.25 mm +/- 0.03
- Recommended Depth (n1) 1.02 mm
- Thrust Load 691 kg.cm
- Material Carbon Spring Steel Self Finish
Product Compliance and Data
Additional Resources
Cross References
- 98435A161
- Truarc C17026
- NoCor TI-056
- TI056
- N1305-0056APP
- N1305-0056-APP
- N13050056APP
- S73PH1PIR005056
- S73PH1-PIR005056


