
Miniature Bearings Australia
FC205 - Datasheet
MBA
Category Information
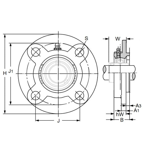
Housings - Flanged Round Cast IronFlanged Round Cast Iron Housings. Lubrication Groove.
- An expanded range may be available on special order. Please enquire.
- Bearings sold separately.
- Larger sizes available on request.
- Use with steel bearing inserts for cast iron housings.
Product Data
- Height (H)
:
115.000
mm
(Equiv. 4.528 in.) - Ass. Width to Base (W)
29.700
mm
(Equiv. 1.169 in.) - Width of Spigot (a3)
6.000
mm
(Equiv. 0.236 in.) - Bolt Circle Diameter (J1) 90.000 mm
- Base Width (A1) 7.000 mm
- Bearing Width (B) 34.000 mm
- To Suit Bearing UC205
- Bolt Hole Size (s) 12.000 mm
- Bolt Hole Centres (J) 63.600 mm
- Hsg. Width (excl. Spigot hW) 21.000 mm
- Material Cast Iron
Product Compliance and Data
Additional Resources
Cross References
- Nachi® FC205J


