Small Parts & Bearings
Miniature Bearings Australia

YE-8SPRS - Datasheet

MBA

Category Information

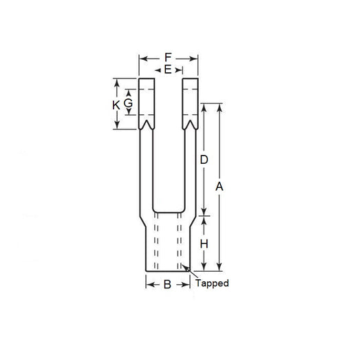
Yoke Ends - Threaded

Threaded Yoke Ends. Linkage connectors with threaded ends.

  • A yoke end, also known as a clevis end, is a U-shaped metal fastener used to connect rods, cables, or pipes to a mounting point.
  • It's commonly used in lifting, rigging, and other applications where secure attachment and articulation are needed.
  • Yoke ends require a clevis pin and cotter pin for secure attachment.
  • Drop forged steel machined to SAE standards
  • Also see clevis joints

Product Data

Deleted Item. Available while stocks last.

Please contact us first if you wish to use this item in a new design so we can check whether production can be resumed.

  • Effective Length (A) : 101.600 mm
    (Equiv. 4 in.)
  • Hub Diameter (B) 28.580 mm
    (Equiv. 1.125 in.)
  • Gap (E) +/- 0.38 17.460 mm
    (Equiv. 0.687 in.)
  • Width (F) +/- 0.38 38.10 mm
  • Hole Size (G) +0.25 15.88 mm
  • Stud Height (H) (+0.79) 32 mm
  • Housing Diameter (K) 35 mm
  • Thread Size 3/4-10 UNC (19.05mm)
  • Material Steel
Country of Origin: US

Product Compliance and Data

Additional Resources

    View full details