Small Parts & Bearings
Miniature Bearings Australia

PLST-048F-103-TAC-009 - Datasheet

MBA

Category Information

Plungers - Spring Threaded Adapter - Non Locking - Steel

Steel Non Locking Spring Threaded Adapter Plungers. Use your own handle on the thread provided.

  • Items shown with Long-Lok have a dry threadlocking sealant applied to thread.

Product Data

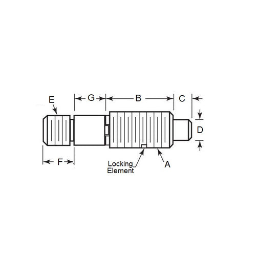
  • Body Thread Size (A) : 10-32 UNF (4.76mm)
  • Major Thread Length (B) 10.3 mm
    (Equiv. 0.406 in.)
  • Initial Pressure (F1) 2.2 N
  • Final Pressure (F2) 8.9 N
  • Tip Diameter (D) 2.6 mm
  • Tip Length (C) 2.4 mm
  • End Thread Size (E) 10-32 UNC (4.762mm)
  • End Thread Length (F) 6.0 mm
  • Material Steel
Country of Origin: US

Product Compliance and Data

Additional Resources

Cross References

  • NRP-63
  • NRP63
View full details