Small Parts & Bearings
Miniature Bearings Australia

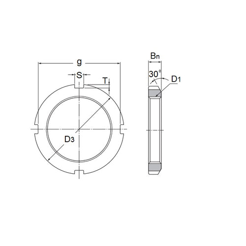
KM19 - Datasheet

MBA

Category Information

Nuts - Bearing Locknuts - Right Hand Thread - Standard AN-KM Series

Standard AN-KM Series Right Hand Thread Bearing Locknuts Nuts. This is the main category in this series

    Product Data

    • Shaft Thread Diameter : M95x2
    • Outside Dia (OD) 125 mm
      (Equiv. 4.921 in.)
    • Thickness (T) min / max 17.000 mm
      (Equiv. 0.669 in.)
    • Slot Width (s) 10.000
    • Slot Depth (T) 4.000
    • Material Steel
    Country of Origin: JP

    Product Compliance and Data

    Additional Resources

    Cross References

    • NoCor KM-19
    • KM19
    View full details