
Miniature Bearings Australia
NT060M-TH2410-S3 - Datasheet
MBA
Category Information
Nuts - Thumb - BasicBasic Thumb Nuts. This is the main category in this series
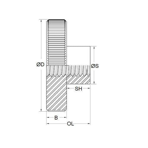
Product Data
- Thread Size : M6 (6x1mm)
- Overall Length
15
mm
(Equiv. 0.591 in.) - Head Width (B)
5.00
mm
(Equiv. 0.197 in.) - Head Diameter 24.00 mm
- Shoulder Diameter 12.00 mm
- Shoulder Height 10.00 mm
- Material Stainless Steel 303/304 (Similar to A2, 18-8) HRB80
Product Compliance and Data
Additional Resources
Cross References
- 90368A300
- PTN612
- PTN-612
