
Miniature Bearings Australia
KM12 - Datasheet
MBA
Category Information
Nuts - Bearing Locknuts - Right Hand Thread - Standard AN-KM SeriesStandard AN-KM Series Right Hand Thread Bearing Locknuts Nuts. This is the main category in this series
Product Data
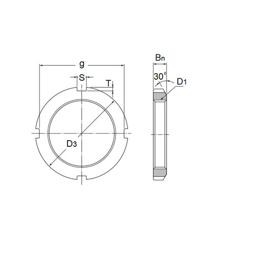
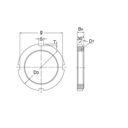
- Shaft Thread Diameter : M60 Fine (60x2mm)
- Outside Dia (OD)
80
mm
(Equiv. 3.15 in.) - Thickness (T) min / max
11.000
mm
(Equiv. 0.433 in.) - Slot Width (s) 7.000
- Slot Depth (T) 3.000
- Material Steel
Product Compliance and Data
Additional Resources
Cross References
- NoCor KM-12
- KM12


