
Miniature Bearings Australia
SS050M-0080-TC1 - Datasheet
MBA
Category Information
Socket Set Screws - Standard Cup Point - Titanium - CP Grade 1 DIN916CP Grade 1 DIN916 Titanium Standard Cup Point Socket Set Screws. Standard DIN913 grub screws. CP1 Commercially Pure Titanium Grade 1. Tensile Strength 24.6 kgf/mm2. Yield Strength 17.6 kgf/mm2. Elongation 24 Percent.
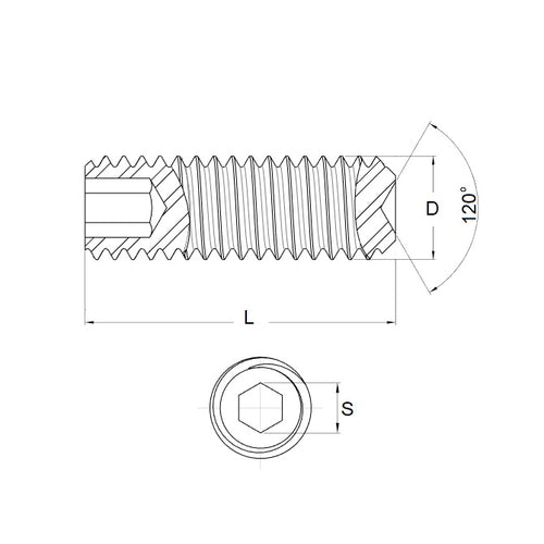
- Socket driven grub screw with a standard cup point.
- Commercially pure for general industrial corrosion applications. UNS R50250.
- Widely used in power generation, chemical processing, aerospace and medical applications.
- Composition Percentage: Al 0, V 0, N 0.03, C 0.08, H 0.015, Fe 0.2, O 0.18, Ti Balance
Product Data
Deleted Item. Available while stocks last.
Please contact us first if you wish to use this item in a new design so we can check whether production can be resumed.
- Thread Size : M5 (5x0.8mm)
- Thread Length (L)
8.0
mm
(Equiv. 0.315 in.) - Type Standard Cup Point
- Hex Key Size 2.50 mm
- Pitch 0.800 mm
- Threads Per Inch 31.75 TPI
- Material Titanium - CP1 Commercially Pure
Product Compliance and Data
Additional Resources
- Screws & Nuts Catalogue
- Shoulder Screws Catalogue
- Socket Set (Grub) Screws Catalogue
- Thumb Screws & Thumb Nuts Catalogue
- Thread Size Chart - Combined Imperial & Metric


