
Miniature Bearings Australia
NT040M-BL-CZ - Datasheet
MBA
Category Information
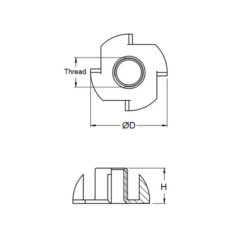
Nuts - Blind - StandardStandard Blind Nuts. Blind nuts - Tee nuts.
- Put steel threads in soft materials like wood without counterboring.
Product Data
Deleted Item. Available while stocks last.
Please contact us first if you wish to use this item in a new design so we can check whether production can be resumed.
- Thread Size : M4 (4x0.7mm)
- Flange Diameter
18.3
mm
(Equiv. 0.72 in.) - Barrel Height
7.0
mm
(Equiv. 0.276 in.) - Type Tee Nut
- Pitch 0.700 mm
- Threads Per Inch 36.28 TPI
- Material Steel Zinc Plated
Product Compliance and Data
Additional Resources
Cross References
- 98965A110
- MicroFast® BNM4


