
Miniature Bearings Australia
KM34 - Datasheet
MBA
Category Information
Nuts - Bearing Locknuts - Right Hand Thread - Standard AN-KM SeriesStandard AN-KM Series Right Hand Thread Bearing Locknuts Nuts. This is the main category in this series
Product Data
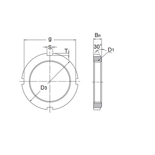
- Shaft Thread Diameter : M170x3
- Outside Dia (OD)
220
mm
(Equiv. 8.661 in.) - Thickness (T) min / max
26.000
mm
(Equiv. 1.024 in.) - Slot Width (s) 16.000
- Slot Depth (T) 7.000
- Material Steel
Product Compliance and Data
Additional Resources
Cross References
- NoCor KM-34
- KM34


