
Miniature Bearings Australia
PF-5 - Datasheet
MBA
Category Information
Housings - Flanged - 3 Bolt Hole - Pressed MetalPressed Metal 3 Bolt Hole Flanged Housings. Bearings sold separately.
- An expanded range may be available on special order. Please enquire.
- Use with steel bearing inserts for pressed metal housings.
- Larger sizes available on request.
Product Data
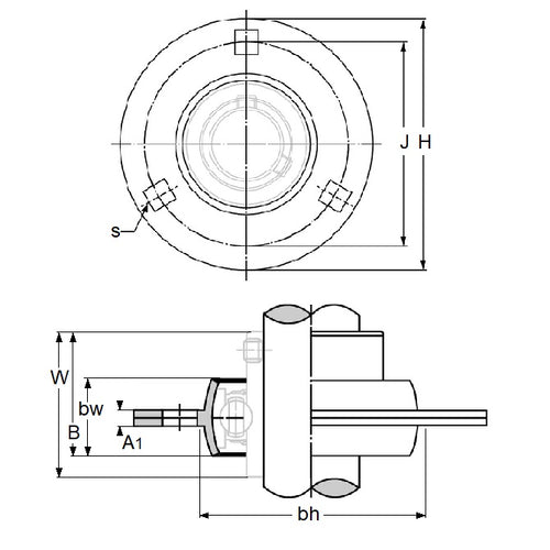
- Height (H)
:
95.000
mm
(Equiv. 3.74 in.) - Width - Assembled (W)
28.500
mm
(Equiv. 1.122 in.) - Bolt Circle Diameter (J) 76.000 mm
- Base Width (A1) 4.000 mm
- Bearing Width (B) 27.000 mm
- To Suit Bearing B5
- Bolt Hole Size (s) 9.000 Square mm
- Body Width (bw) 18.000 mm
- Body Height Clearance (bh) 60.000 mm
- Material Steel
Product Compliance and Data
Additional Resources


