
Miniature Bearings Australia
PFL-5 - Datasheet
MBA
Category Information
Housings - Flanged - 2 Bolt - Pressed Metal to Suit Spherical OD BearingPressed Metal to Suit Spherical OD Bearing 2 Bolt Flanged Housings. Bearings sold separately.
- An expanded range may be available on special order. Please enquire.
- Use with steel bearing inserts for pressed metal housings.
- Larger sizes available on request.
Product Data
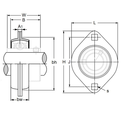
- Height (H)
:
95.000
mm
(Equiv. 3.74 in.) - Length (L)
71.000
mm
(Equiv. 2.795 in.) - Width - Assembled (W)
28.500
mm
(Equiv. 1.122 in.) - Bolt Hole Centres (J) 76.200 mm
- Base Width (A1) 4.000 mm
- Bearing Width (B) 27.000 mm
- To Suit Bearing B5
- Bolt Hole Size (s) 9.000 Square mm
- Body Width (bw) 18.000 mm
- Body Height Clearance (bh) 60.000 mm
- Material Steel
Product Compliance and Data
Additional Resources


