
Miniature Bearings Australia
F205 - Datasheet
MBA
Category Information
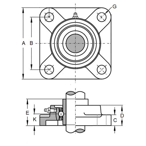
Housings - Flanged Square Cast IronFlanged Square Cast Iron Housings. Lubrication Groove.
- An expanded range may be available on special order. Please enquire.
- Bearings sold separately.
- Larger sizes available on request.
- Use with steel bearing inserts for cast iron housings.
Product Data
- Height (H)
:
95.000
mm
(Equiv. 3.74 in.) - Width - Assembled (W)
35.700
mm
(Equiv. 1.406 in.) - Base Width (A1)
14.000
mm
(Equiv. 0.551 in.) - Bolt Hole Centres (J) 70.000 mm
- Housing Width (hW) 27.000 mm
- Bearing Width (B) 34.000 mm
- To Suit Bearing UC205
- Bolt Hole Size (s) 12.000 mm
- Material Cast Iron
Product Compliance and Data
Additional Resources
Cross References
- Nachi F205J


