
Miniature Bearings Australia
MLM-159C-150-S3NY-LA0LH-058 - Datasheet
MBA
Category Information
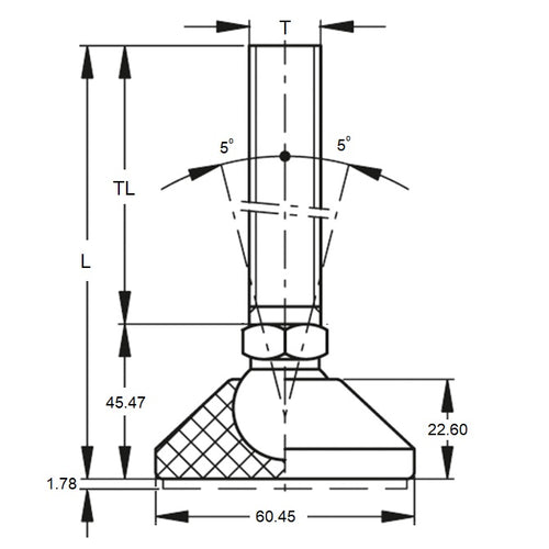
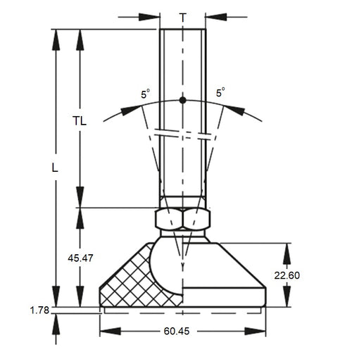
Mounts - Levelling Studded - Light Duty - Nylon - Loc A Lign - No Lag HolesNo Lag Holes Loc A Lign Nylon Light Duty Levelling Studded Mounts. Adjusters.
- An expanded range may be available on special order. Please enquire.
Product Data
- Thread Size (A) : 5/8-11 UNC (15.88mm)
- Base Diameter (D)
58.4
mm
(Equiv. 2.299 in.) - Foot Height (C)
22.6
mm
(Equiv. 0.89 in.) - Thread Length (F) 150.4 mm
- Base Height (E) 45.4 mm
- Overall Height 195.83 mm
- Load Rating 900 Kg
- Thread Material 5
- Material Stainless Steel
Product Compliance and Data
Additional Resources
Cross References
- MLM0900159CNS3
- MLM0150159CNS3
- RL-2010-S
- RL2010S


