
Miniature Bearings Australia
CLP-095-0829-S4 - Datasheet
MBA
Category Information
Pins - Clevis - Pin Locking - Stainless Steel 300 GradeStainless Steel 300 Grade Pin Locking Clevis Pins. Match with a suitable R-Clip or Spilt Pin - pin size shown in listings
- Non-threaded fastener with a head on one end and a hole/groove on the other, used to connect two or more parts in a way that allows for rotation, similar to a bolt, by passing through aligned holes.
- A retaining pin, such as a cotter pin, E-clip or R-clip, is inserted into the hole/groove at the end to keep the clevis pin secured in place.
- In addition to retaining parts on a shaft or axle, clevis pins can also be used as light duty axles, spring holders or even fishing line weights.
Product Data
Deleted Item. Available while stocks last.
Please contact us first if you wish to use this item in a new design so we can check whether production can be resumed.
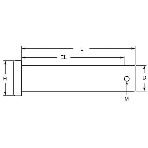
- Nominal Pin Diameter (D)
:
9.53
mm
- 0.05 / - 0.18
(Equiv. 0.375 in.) - Grip Length (EL)
82.94
mm
+ 0.51 / - 0.00
(Equiv. 3.265 in.) - Nom. Length (L)
88.90
mm
+ 0.51 / - 0.00
(Equiv. 3.5 in.) - Ret. Pin Dia. (M) 2.4 mm
- Suitable R-Clip RCL-024-059-S4
- Material Stainless Steel 300 Series
Product Compliance and Data
Additional Resources
Cross References
- 9390A289
- NoCor CLPS-0375-3500
- CLPS03753500


