
Miniature Bearings Australia
GHK0953-0953-102-Z - Datasheet
ExaktKey
Category Information
Keys - Gib Head - Zinc PlatedZinc Plated Gib Head Keys. Tapered 3.000 mm per 300 mm (1:100)
- An expanded range may be available on special order. Please enquire.
Product Data
Deleted Item. Available while stocks last.
Please contact us first if you wish to use this item in a new design so we can check whether production can be resumed.
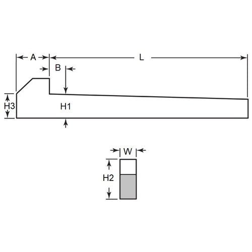
- Nominal Key Height (H1)
:
9.525
mm
(Equiv. 0.375 in.) - Width (W)
9.525
mm
(Equiv. 0.375 in.) - Length (L)
101.6
mm
(Equiv. 4 in.) - Head Height (h2) Approx. 15.9 mm
- Approx (B) 7.62 mm
- Approx (H3) 10.31 mm
- Taper 1:100
- Standard BS46
- Head Length (Approx) (A) 11.113 mm
- Material Zinc Plated Steel
Product Compliance and Data
Additional Resources
View full details


