
Miniature Bearings Australia
BP0095-0127-0159-BSTH - Datasheet
MBA
Category Information
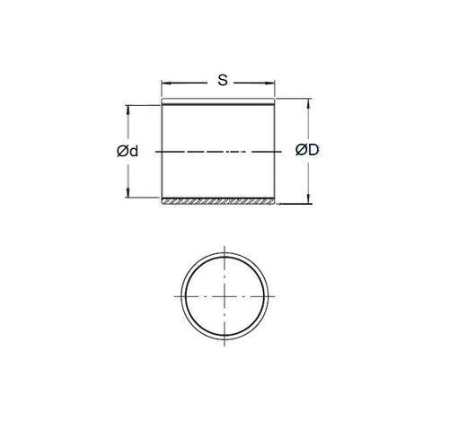
Bushes - Unflanged - Bronze - SinteredSintered Bronze Unflanged Bushes. Oil impregnated sintered bronze bushes.
- An expanded range may be available on special order. Please enquire.
- Precision items show an allowable Load Speed Rating in Newtons times RPM.
Product Data
- Nominal Inside Diameter (d)
:
9.525
mm
+ 0.025 / + 0.051
(Equiv. 0.375 in.) - Nominal Outside Diameter (D)
12.700
mm
+ 0.051 / + 0.076
(Equiv. 0.5 in.) - Length (s)
15.875
mm
+/- 0.127
(Equiv. 0.625 in.) - Material Bronze SAE 841 Sintered
Product Compliance and Data
Additional Resources
- DU Bush Material Information
- General Bushes Catalogue
- Sintered Bronze Products Catalogue
- Solid Bronze Bushes catalogue
Cross References
- 6391K174
- Bunting EP060810
- Daemar P-38-5
- BNT130
- BP009501270159BS
- BNT-130
- QT43
- QT4-3
- P385
- A7B4-P035
- A7B4P035


