
Miniature Bearings Australia
BF0095-0127-0127-BS1724TH - Datasheet
MBA
Category Information
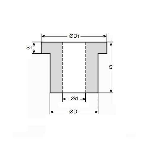
Bushes - Flanged - Bronze - SinteredSintered Bronze Flanged Bushes. Oil impregnated flanged sintered bronze bushes.
- An expanded range may be available on special order. Please enquire.
- Precision items show an allowable Load Speed Rating in Newtons times RPM.
Product Data
- Nominal Inside Diameter (d)
:
9.525
mm
+ 0.025 / + 0.051
(Equiv. 0.375 in.) - Nominal Outside Diameter (D)
12.700
mm
+ 0.051 / + 0.076
(Equiv. 0.5 in.) - Length (s)
12.700
mm
+/- 0.127
(Equiv. 0.5 in.) - Flange OD (D1) 17.45 mm +/- 0.14
- Flange Thickness (S1) 2.38 mm +/- 0.1
- Material Bronze SAE 841 Sintered
Product Compliance and Data
Additional Resources
- DU Bush Material Information
- General Bushes Catalogue
- Sintered Bronze Products Catalogue
- Solid Bronze Bushes catalogue
Cross References
- 6338K312
- Bunting BSF-1216-8
- Bunting EF060808
- Oilite FB68-4
- Small Parts FBB-6-8
- Daemar FL-38-4
- BSF12168
- A7B4-SF121604
- A7B4SF121604
- FL384
- FBB68
- BF009501270127BS
- BF009501270127BS1724


