Small Parts & Bearings
Miniature Bearings Australia

REF-095-L-CB - Datasheet

MBA

Category Information

Rod Ends - Female - Steel - Plain - Bronze Lined

Bronze Lined Plain Steel Female Rod Ends. Imperial and Metric / Carbon Steel. Also known as Heim Joints

  • An expanded range may be available on special order. Please enquire.
  • Dimensions not shown are available on request.

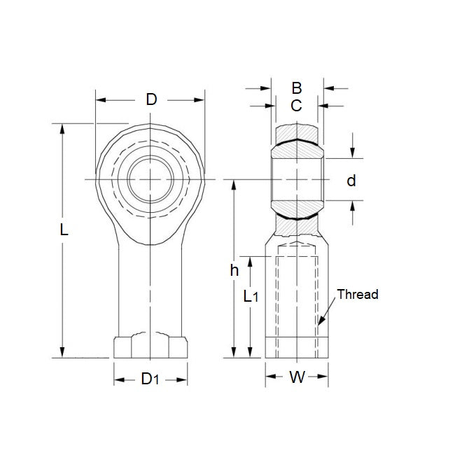
Product Data

  • Eye Size (d1) : 9.525 mm
    (Equiv. 0.375 in.)
  • Overall Length (L) 53.98 mm
    (Equiv. 2.125 in.)
  • Thread Size (T) 3/8-24 UNF Left
  • Thread Length (l2) 23.80 mm
  • Head Width (W) 10.31 mm
  • Eye Width (W1) 12.70 mm
  • Head Diameter (D) 25.40 mm
  • Centre Height (l1) 41.28 mm
  • Grease Nipple No
  • Body Width/Flange Width(W2/D3) 14.27 / 17.45 mm
  • Material Bronze Lined Steel
Country of Origin: JP

Product Compliance and Data

Additional Resources

    Cross References

    • 6072K174-LEFT
    • ASAHI JAFB6L
    • KWK KFB6L
    • IKO PHSB6L
    • Nachi PHSB-6L
    • NTN SFI-B6L
    • 6072K174LEFT
    • SFIB6L
    View full details