
Miniature Bearings Australia
BF0080-0120-0080-BS1630TT - Datasheet
MBA
Category Information
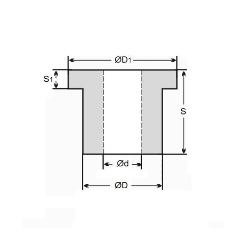
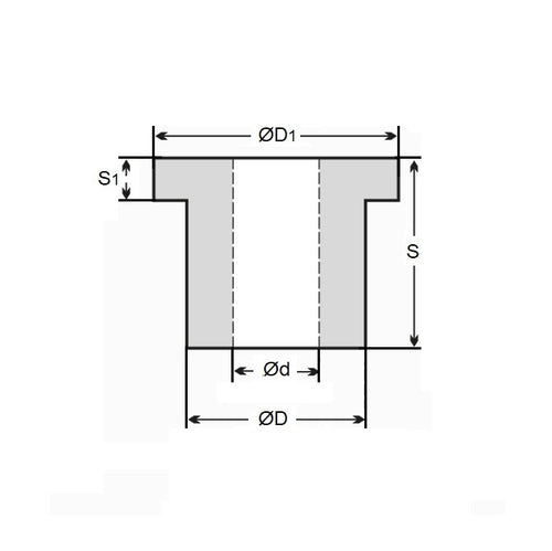
Bushes - Flanged - Bronze - SinteredSintered Bronze Flanged Bushes. Oil impregnated flanged sintered bronze bushes.
- An expanded range may be available on special order. Please enquire.
- Precision items show an allowable Load Speed Rating in Newtons times RPM.
Product Data
- Nominal Inside Diameter (d)
:
8.000
mm
+ 0.025 / + 0.051
(Equiv. 0.315 in.) - Nominal Outside Diameter (D)
12.000
mm
+ 0.023 / + 0.041
(Equiv. 0.472 in.) - Length (s)
8.000
mm
+/- 0.127
(Equiv. 0.315 in.) - Flange OD (D1) 16.00 mm
- Flange Thickness (S1) 3.00 mm
- Material Bronze SAE 841 Sintered
Product Compliance and Data
Additional Resources
- DU Bush Material Information
- General Bushes Catalogue
- Sintered Bronze Products Catalogue
- Solid Bronze Bushes catalogue
Cross References
- 6659K677
- Oilube FM-812-8
- A7B4MF081208
- FM8128
- BF008001200080BS1620
- BF008001200080BS1620LT
- BF008001200080BS1630
- BF008001200080BS1630TL
- BF008001200080BSF1620
- QFM10-8
- QFM108


