
Miniature Bearings Australia
FL206 - Datasheet
MBA
Category Information
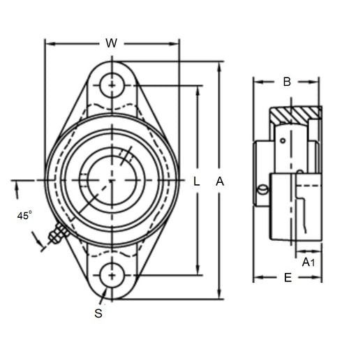
Housings - Flanged - 2 Bolt - Cast Iron to Suit Spherical OD BearingCast Iron to Suit Spherical OD Bearing 2 Bolt Flanged Housings. Lubrication Groove.
- An expanded range may be available on special order. Please enquire.
- Bearings sold separately.
- Larger sizes available on request.
- Use with steel bearing inserts for cast iron housings.
Product Data
- Height (H)
:
80.000
mm
(Equiv. 3.15 in.) - Length (L)
148.000
mm
(Equiv. 5.827 in.) - Width - Assembled (W)
40.200
mm
(Equiv. 1.583 in.) - Bolt Hole Centres (J) 117.000 mm
- Base Width (A1) 14.000 mm
- Bearing Width (B) 38.100 mm
- To Suit Bearing UC206
- Bolt Hole Size (s) 16.000 mm
- Material Cast Iron
Product Compliance and Data
Additional Resources
Cross References
- Nachi FL206J


