
Miniature Bearings Australia
KF042-017-TPHS - Datasheet
MBA
Category Information
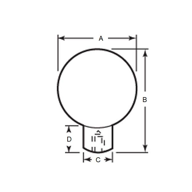
Knobs - Ball - Female Threaded - Phenolic - Shank TypeShank Type Phenolic Female Threaded Ball Knobs. Moulded from black phenolic resin.
- An expanded range may be available on special order. Please enquire.
- Phenolic Ball Knobs with Shanks. To Screw onto threads.
Product Data
- Thread or Hole Size : 8-32 UNC (4.17mm)
- Diameter
16.89
mm
(Equiv. 0.665 in.) - Thread Depth (C)
6.4
mm
(Equiv. 0.252 in.) - Thread Type Brass
- Shank Height (D) 6.35
- Shank Diameter (C) 9.53 mm
- Height (B) 22.23 mm
- Material Phenolic
Product Compliance and Data
Additional Resources
Cross References
- DK-340
- DK340


