
Miniature Bearings Australia
CFF075-40-120M-R60 - Datasheet
MBA
Category Information
Mounts - Bobbin - FemaleFemale Bobbin Mounts. Vibration dampening
- An expanded range may be available on special order. Please enquire.
- Also see Bumpers
Product Data
Deleted Item. Available while stocks last.
Please contact us first if you wish to use this item in a new design so we can check whether production can be resumed.
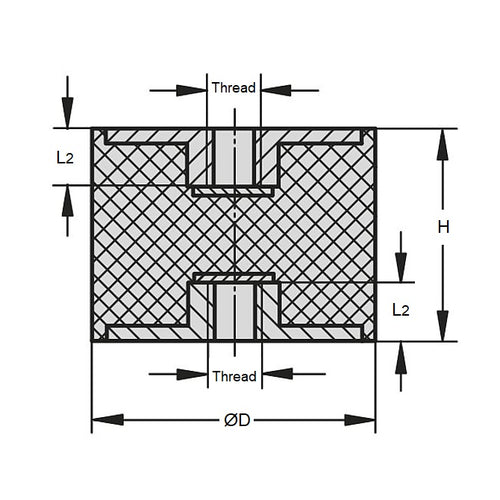
- Nom. Body Diameter (D)
:
75.0
mm
(Equiv. 2.953 in.) - Body Height (H)
40.0
mm
(Equiv. 1.575 in.) - Thread Size M12x1.75
- Shore Hardness 60
- Compression Load 290 (621) Kg (lbs)
- Deflection 3.4 mm
- Max Shear Load 98.9 (221.5) Kg (lbs)
- Configuration Female to Female
- Material Natural Rubber
Product Compliance and Data
Additional Resources
Cross References
- Trelleborg® 20-01318
- C-ZY-12-75-40
- CZY127540
- 2001318


