Small Parts & Bearings
Miniature Bearings Australia

GHK0794-0794-038 - Datasheet

ExaktKey

Category Information

Keys - Gib Head - Steel

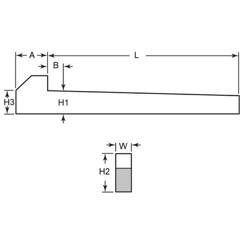
Steel Gib Head Keys. Tapered 3.000 mm per 300 mm (1:100)

  • An expanded range may be available on special order. Please enquire.

Product Data

  • Nominal Key Height (H1) : 7.938 mm
    (Equiv. 0.313 in.)
  • Width (W) 7.938 mm
    (Equiv. 0.313 in.)
  • Length (L) 38.1 mm
    (Equiv. 1.5 in.)
  • Head Height (h2) Approx. 12.7 mm
  • Approx (B) 7.62
  • Approx (H3) 8.73
  • Taper 1:100
  • Standard BS46
  • Head Length (Approx) (A) 9.53 mm
  • Material Cold Finished Steel
Country of Origin: US

Product Compliance and Data

Additional Resources

Cross References

  • KaVo GIB-0312-1500
  • GIB03121500
View full details