
Miniature Bearings Australia
BF0060-0100-0060-BS1420TL - Datasheet
MBA
Category Information
Bushes - Flanged - Bronze - SinteredSintered Bronze Flanged Bushes. Oil impregnated flanged sintered bronze bushes.
- An expanded range may be available on special order. Please enquire.
- Precision items show an allowable Load Speed Rating in Newtons times RPM.
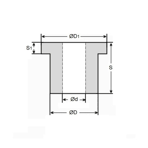
Product Data
- Nominal Inside Diameter (d)
:
6.000
mm
+ 0.005 / + 0.030
(Equiv. 0.236 in.) - Nominal Outside Diameter (D)
10.000
mm
+ 0.019 / + 0.040
(Equiv. 0.394 in.) - Length (s)
6.000
mm
+ 0 / - 0.200
(Equiv. 0.236 in.) - Flange OD (D1) 14.00 mm
- Flange Thickness (S1) 2.00 mm
- Material Bronze SAE 841 Sintered
Product Compliance and Data
Additional Resources
- DU Bush Material Information
- General Bushes Catalogue
- Sintered Bronze Products Catalogue
- Solid Bronze Bushes catalogue
Cross References
- 6659K673
- Oilube FM-610-6
- Shorlube SMF1406
- A7B4MF061006
- FM6106
- BF006001000060BS
- BF006001000060BSLL
- BF006001000060BSTL


